GM Service Manual Online
For 1990-2009 cars only
Makes
🢒
Chevrolet
🢒
2002
🢒
Venture Ext.
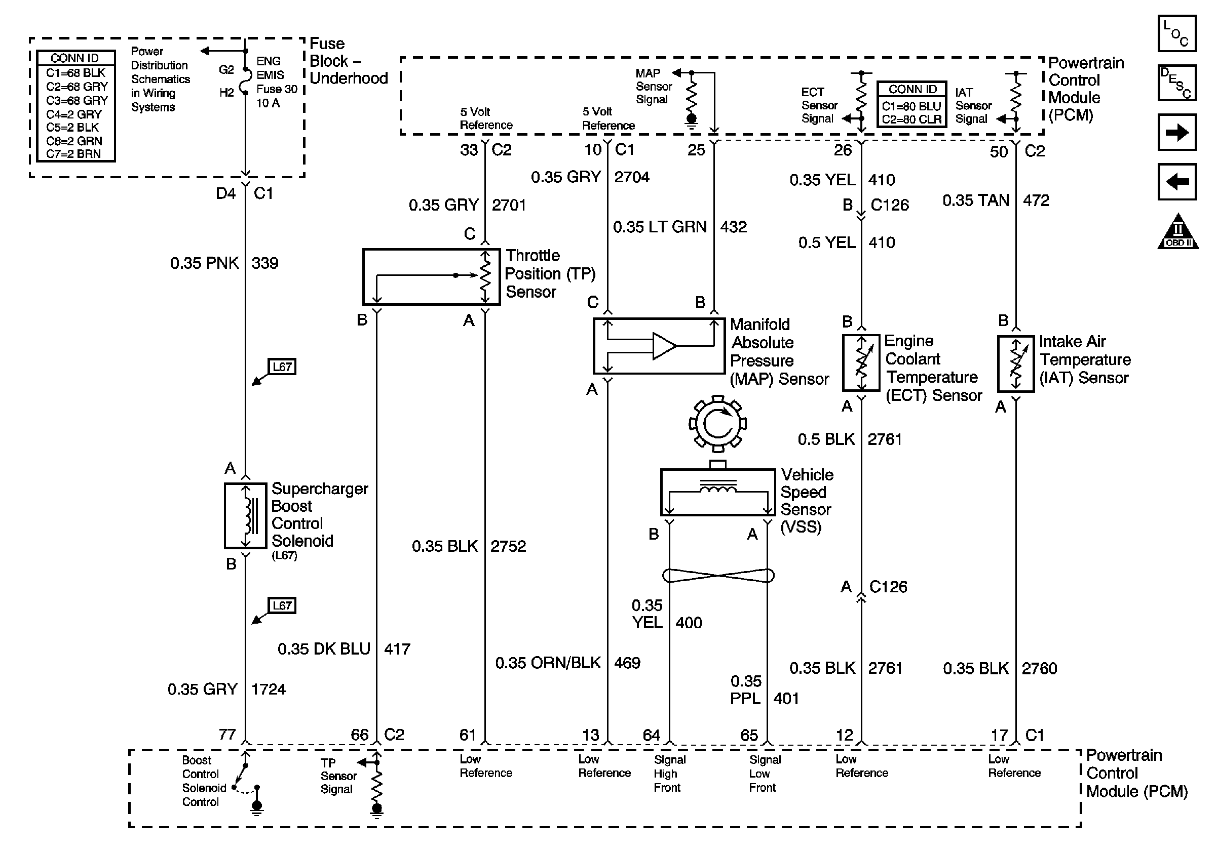
🢒 TP, MAP, ECT, IAT, VSS and Supercharger Boost Control Solenoid
TP, MAP, ECT, IAT, VSS and Supercharger Boost Control Solenoid
TP, MAP, ECT, IAT, VSS and Supercharger Boost Control Solenoid
Master Electrical Component List
Powertrain Control Module Description
CMP, CKP and KS Sensors
Power, Ground, DLC and MIL
Engine Controls Schematic Icons
Power Bussing for Fuse Block-Underhood page 2 of 2