GM Service Manual Online
For 1990-2009 cars only
Makes
🢒
Chevrolet
🢒
2002
🢒
Venture Ext.
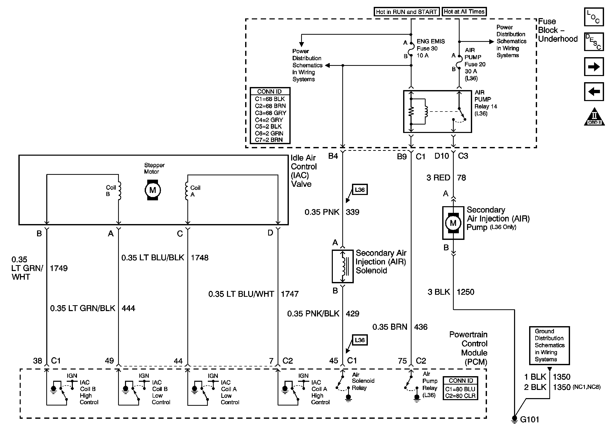
🢒 IAC Control
IAC Control
IAC Control
Master Electrical Component List
Powertrain Control Module Description
HO2S Sensors
Fuel Injectors
Engine Controls Schematic Icons
Power Bussing for Fuse Block-Underhood page 2 of 2
Power Bussing for Fuse Block-Underhood page 2 of 2
G101