GM Service Manual Online
For 1990-2009 cars only
Makes
🢒
Chevrolet
🢒
2002
🢒
Venture Ext.
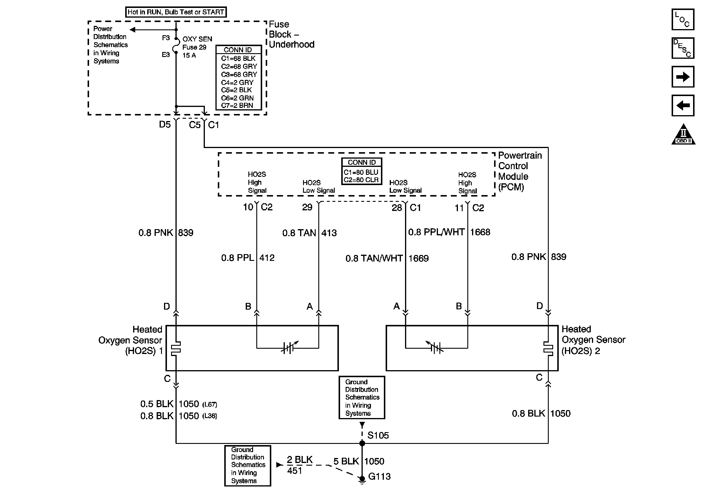
🢒 HO2S Sensors
HO2S Sensors
HO2S Sensors
Master Electrical Component List
Powertrain Control Module Description
EVAP, MAF and EGR
IAC Control
Engine Controls Schematic Icons
Power Bussing for Fuse Block-Underhood page 2 of 2
ATX,ICM,O2
G100,G111 and G113
G113