GM Service Manual Online
For 1990-2009 cars only
Makes
🢒
Chevrolet
🢒
2002
🢒
Venture Ext.
🢒 Charging
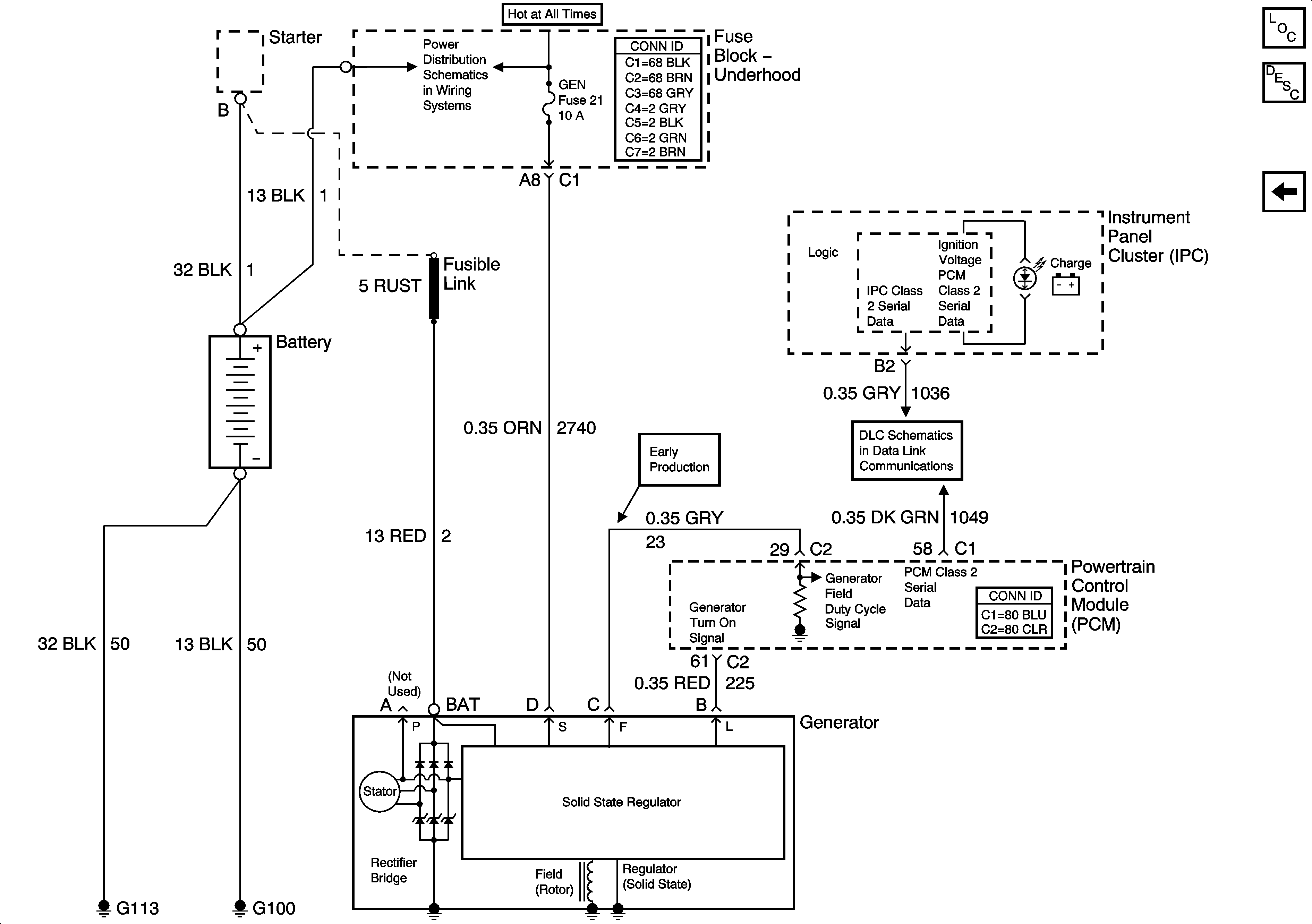
Charging
Charging
Master Electrical Component List
Starting System Description and Operation
Starting
Power Bussing for Fuse Block Underhood Page 1 of 2
Power Bussing for Fuse Block Underhood Page 1 of 2
DLC