GM Service Manual Online
For 1990-2009 cars only
Makes
🢒
Chevrolet
🢒
2002
🢒
Venture Ext.
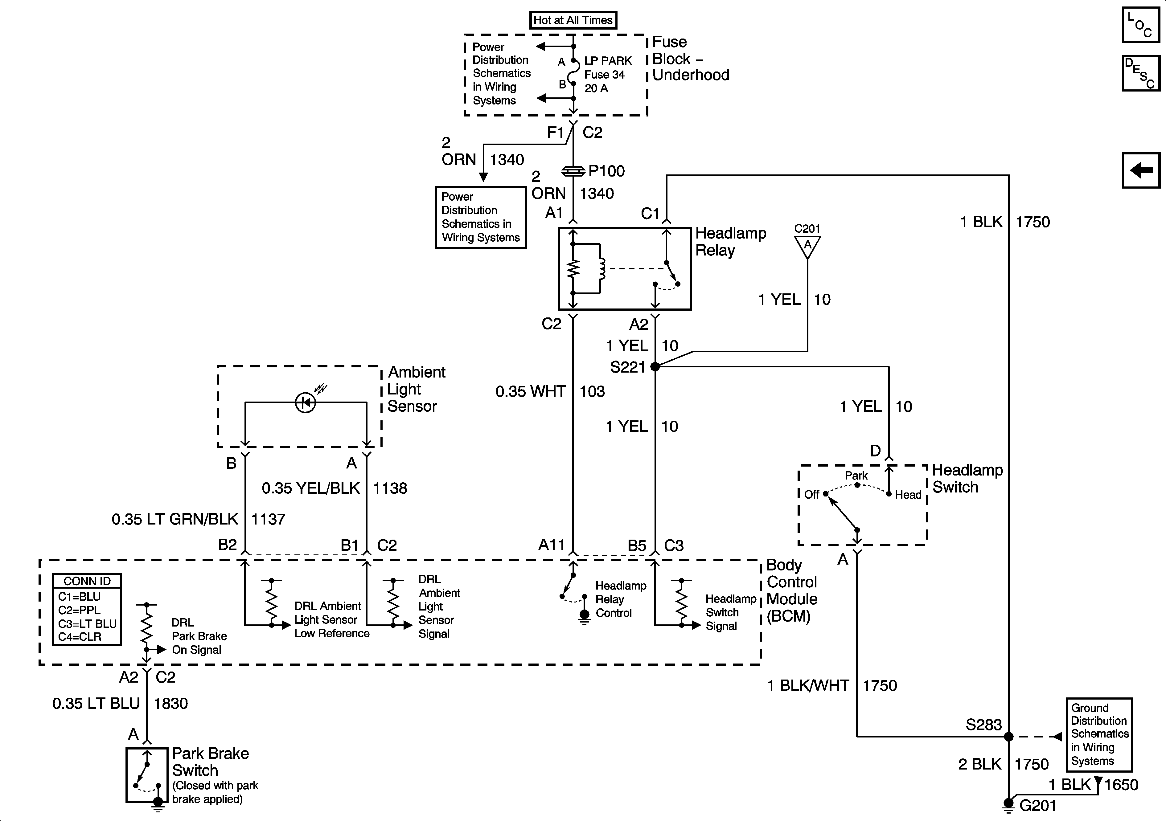
🢒 Headlamp Relay, Ambient Light Sensor, and Park Brake Switch
Headlamp Relay, Ambient Light Sensor, and Park Brake Switch
Headlamp Relay, Ambient Light Sensor, and Park Brake Switch
Master Electrical Component List
Exterior Lighting Systems Description and Operation
Headlamps and Headlamp Dimmer Switch
Power Bussing for Fuse Block Underhood Page 1 of 2
Lighting, Power Windows
Headlamps and Headlamp Dimmer Switch
G201