GM Service Manual Online
For 1990-2009 cars only
Makes
🢒
Chevrolet
🢒
2002
🢒
Venture Ext.
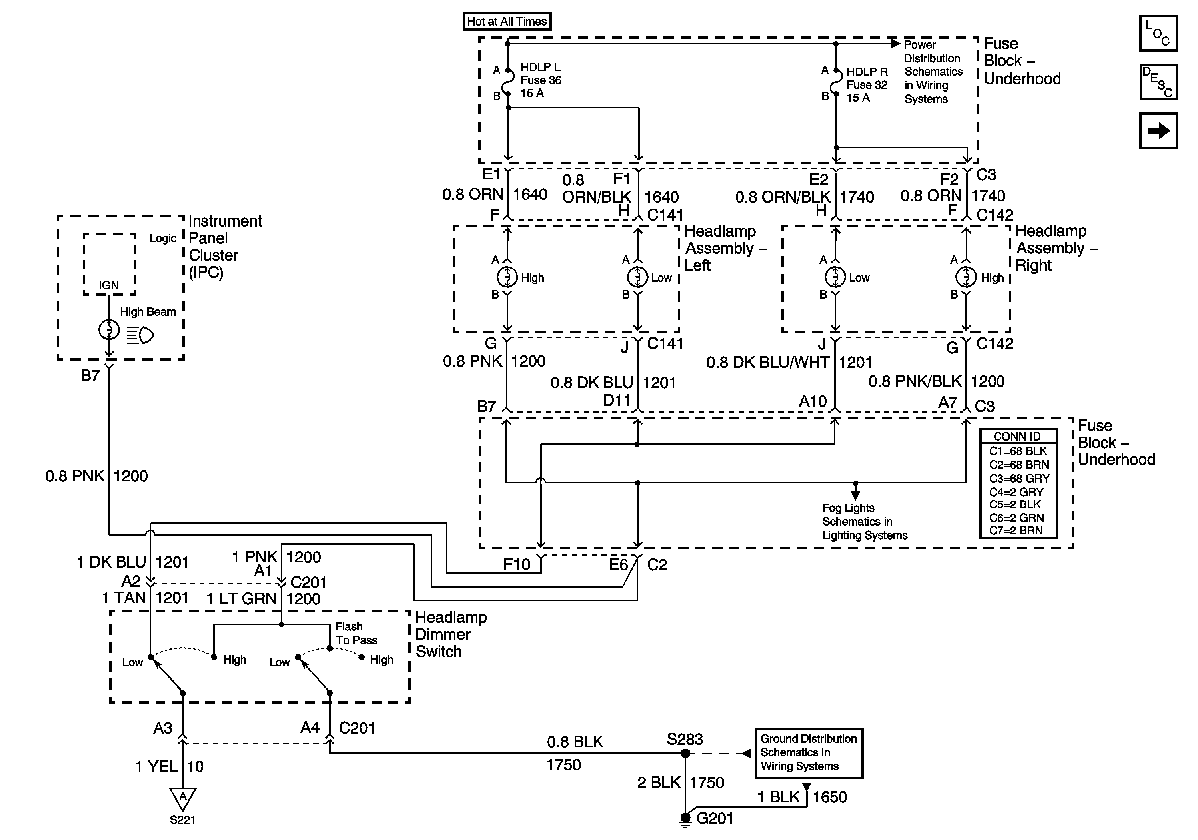
🢒 Headlamps and Headlamp Dimmer Switch
Headlamps and Headlamp Dimmer Switch
Headlamps and Headlamp Dimmer Switch
Master Electrical Component List
Exterior Lighting Systems Description and Operation
Headlamp Relay, Ambient Light Sensor, and Park Brake Switch
Headlamp Relay, Ambient Light Sensor, and Park Brake Switch
Power Bussing for Fuse Block Underhood Page 1 of 2
Fog Lamp Relay
G201