GM Service Manual Online
For 1990-2009 cars only
Makes
🢒
Chevrolet
🢒
2002
🢒
Venture Ext.
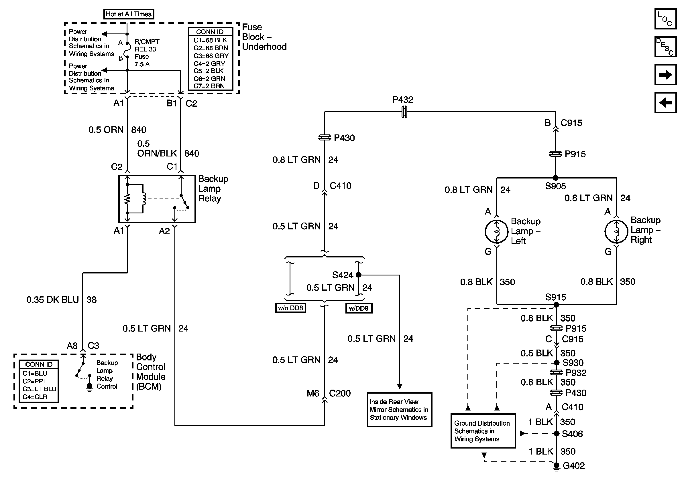
🢒 Back Up Lights - Regal
Back Up Lights - Regal
Back Up Lights -- Regal
Master Electrical Component List
Exterior Lighting Systems Description and Operation
Back Up Lights - Century
Rear Park Lamps and License Lamps
Power Bussing for Fuse Block Underhood Page 1 of 2
Headlamps, Generator
Regal Power, PNP and Ground
G402, Page 2 of 2