GM Service Manual Online
For 1990-2009 cars only
Makes
🢒
Chevrolet
🢒
2002
🢒
Venture Ext.
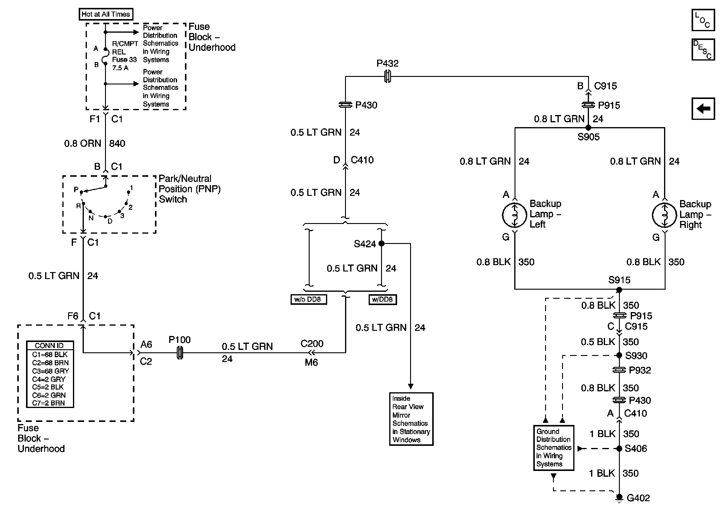
🢒 Back Up Lights - Century
Back Up Lights - Century
Back Up Lights -- Century
Master Electrical Component List
Exterior Lighting Systems Description and Operation
Back Up Lights - Regal
Power Bussing for Fuse Block Underhood Page 1 of 2
Headlamps, Generator
Century Power, PNP and Ground
G402, Page 2 of 2