GM Service Manual Online
For 1990-2009 cars only
Makes
🢒
Chevrolet
🢒
2002
🢒
Venture Ext.
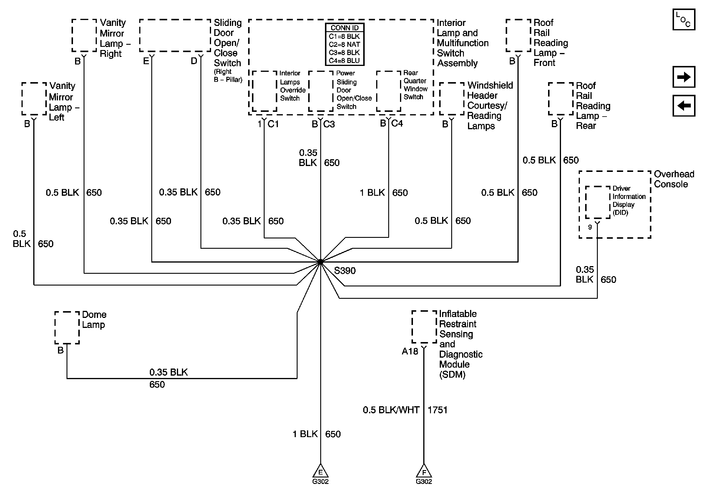
🢒 G302 (1 of 2)
G302 (1 of 2)
G302 (1 of 2)
G302 (2 of 2)
G302 (2 of 2)
Master Electrical Component List
G302 (2 of 2)
G210 and G301