GM Service Manual Online
For 1990-2009 cars only
Makes
🢒
Chevrolet
🢒
2002
🢒
Venture Ext.
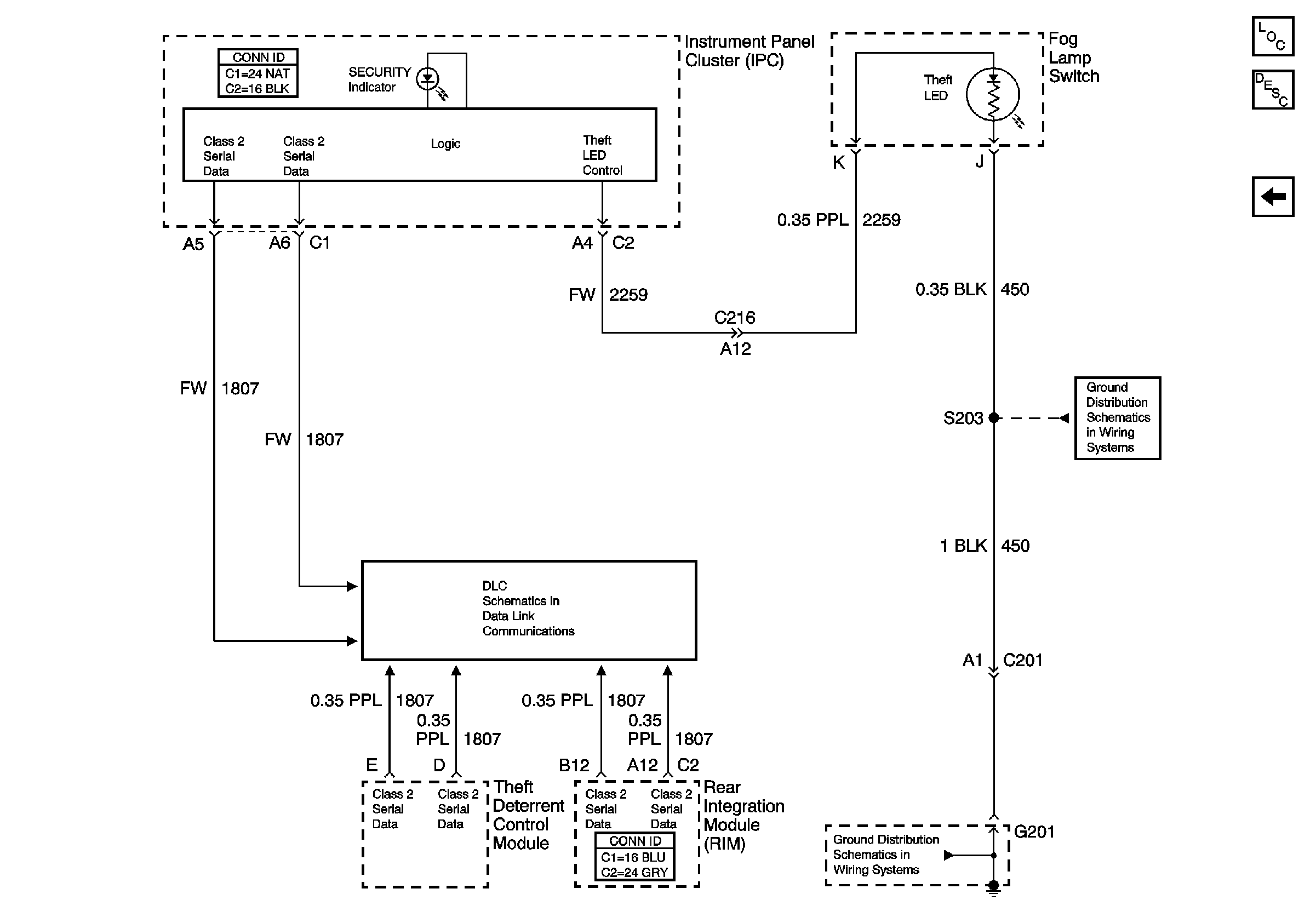
🢒 Indicators - VTD and CTD
Indicators - VTD and CTD
Indicators - VTD and CTD
Master Electrical Component List
Class 2 Serial Data
G201 (1 of 2)
G201 (1 of 2)
Content Theft Deterrent (CTD) System