GM Service Manual Online
For 1990-2009 cars only
Makes
🢒
Chevrolet
🢒
2002
🢒
Venture Ext.
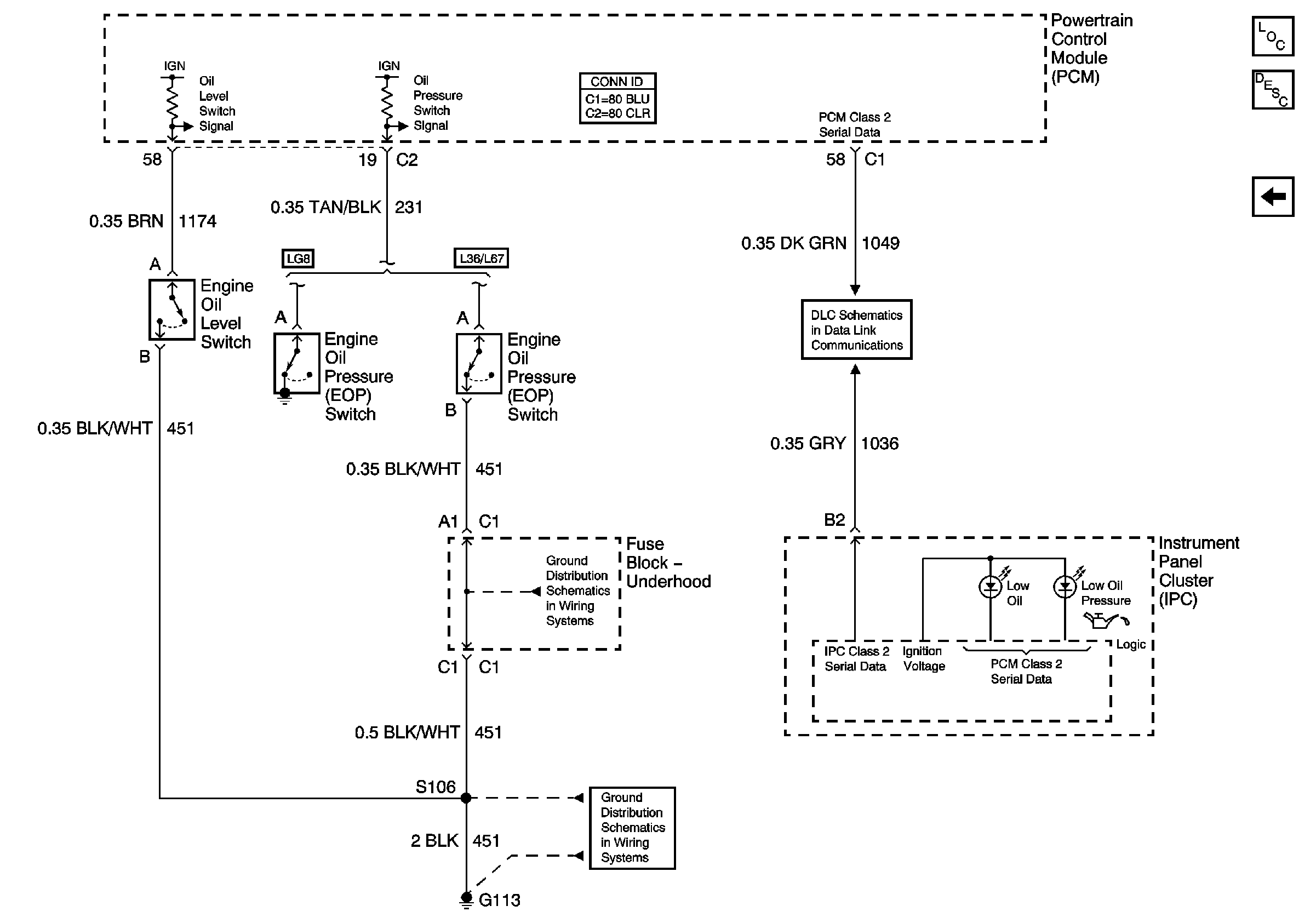
🢒 Low Oil Pressure and Low Oil Indicators
Low Oil Pressure and Low Oil Indicators
Low Oil Pressure and Low Oil Indicators
Master Electrical Component List
Indicator/Warning Message Description and Operation
Indicators
DLC
G100,G111 and G113
G100,G111 and G113