GM Service Manual Online
For 1990-2009 cars only
Makes
🢒
Chevrolet
🢒
2002
🢒
Venture Ext.
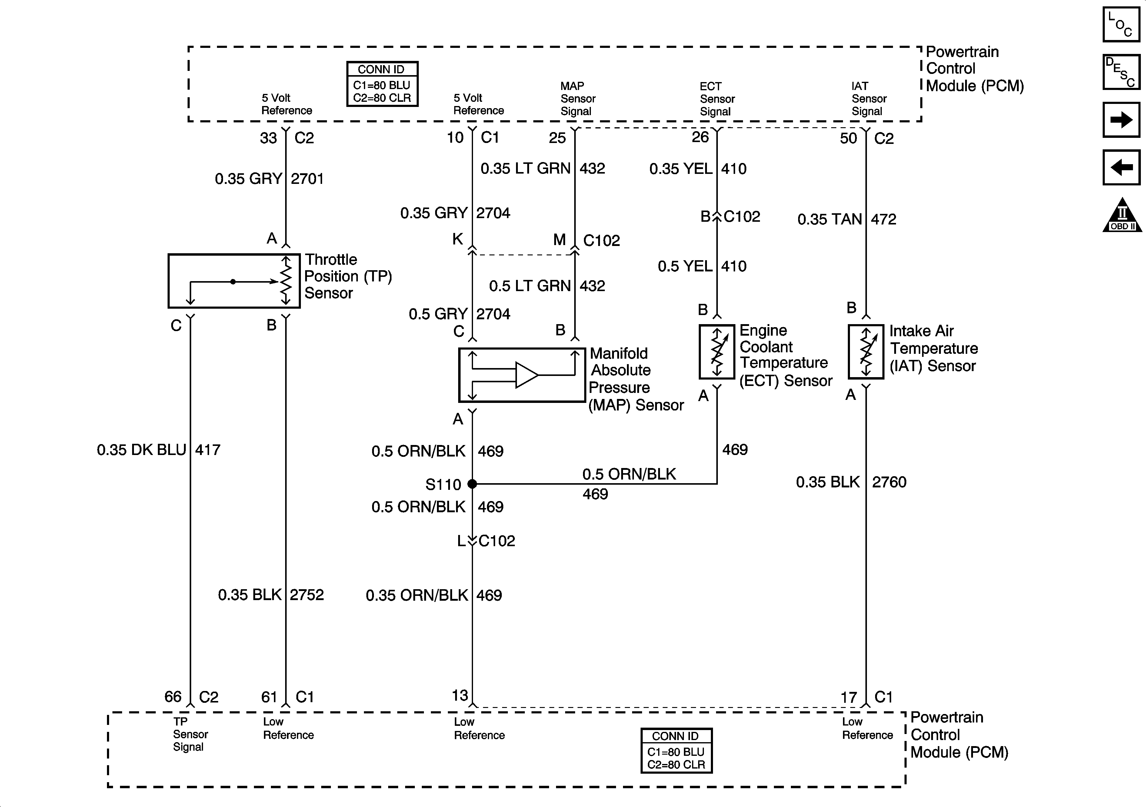
🢒 Engine Data Sensors Figure
Engine Data Sensors Figure
Engine Data Sensors - Pressure and Temperature
Master Electrical Component List
Powertrain Control Module Description
Engine Data Sensors Figure
5 Volt and Low Reference Bussing
OBD II Symbol Description Notice