GM Service Manual Online
For 1990-2009 cars only
Makes
🢒
Chevrolet
🢒
2002
🢒
Venture Ext.
🢒 Engine Data Sensors Figure
Engine Data Sensors Figure
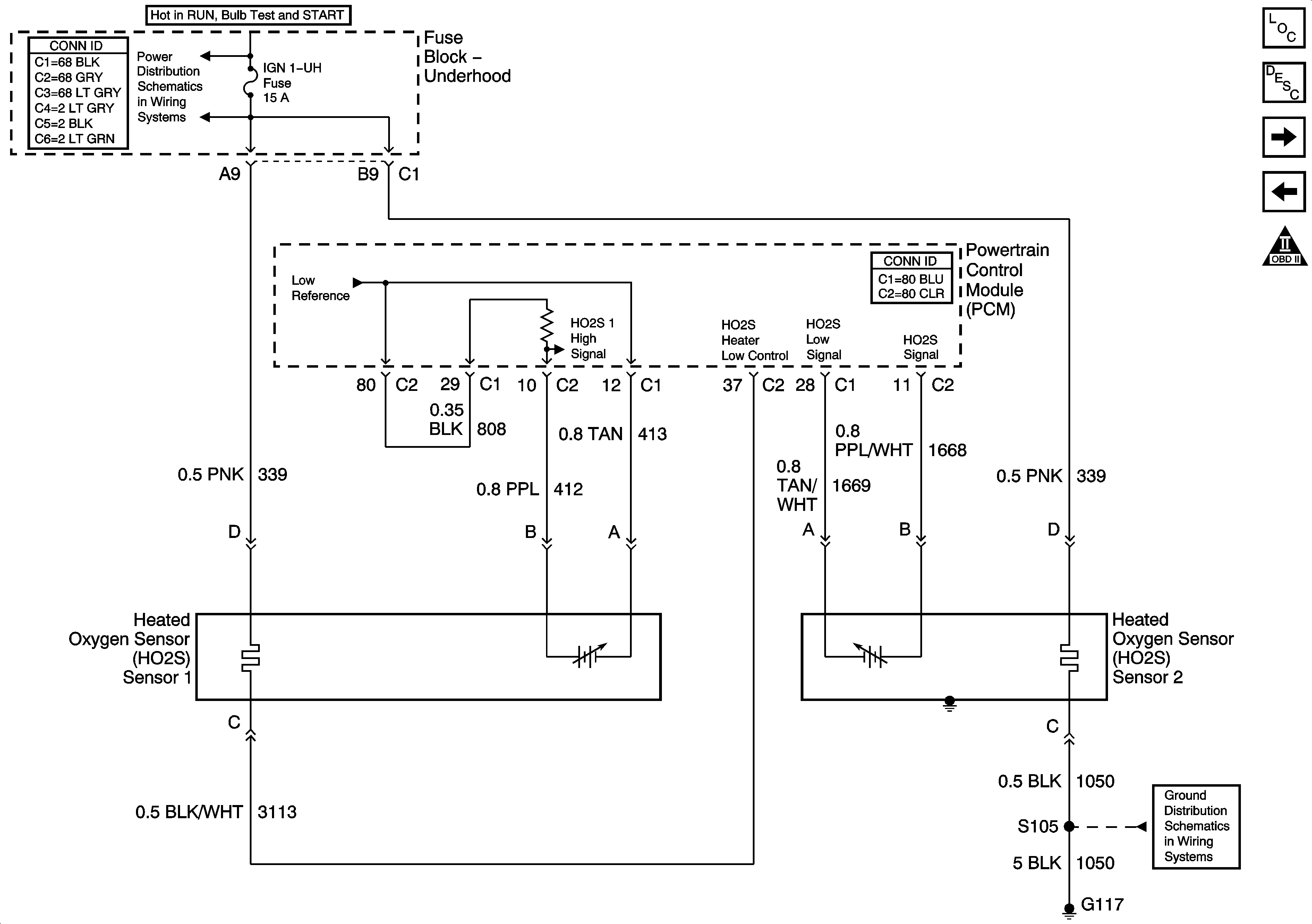
Engine Data Sensors - HO2S
Master Electrical Component List
Powertrain Control Module Description
VSS Figure
Engine Data Sensors Figure
OBD II Symbol Description Notice
Underhood Accessory Wiring Junction Block, IGN 1-U/H fuse
G114, G117