GM Service Manual Online
For 1990-2009 cars only
Makes
🢒
Chevrolet
🢒
2002
🢒
Venture Ext.
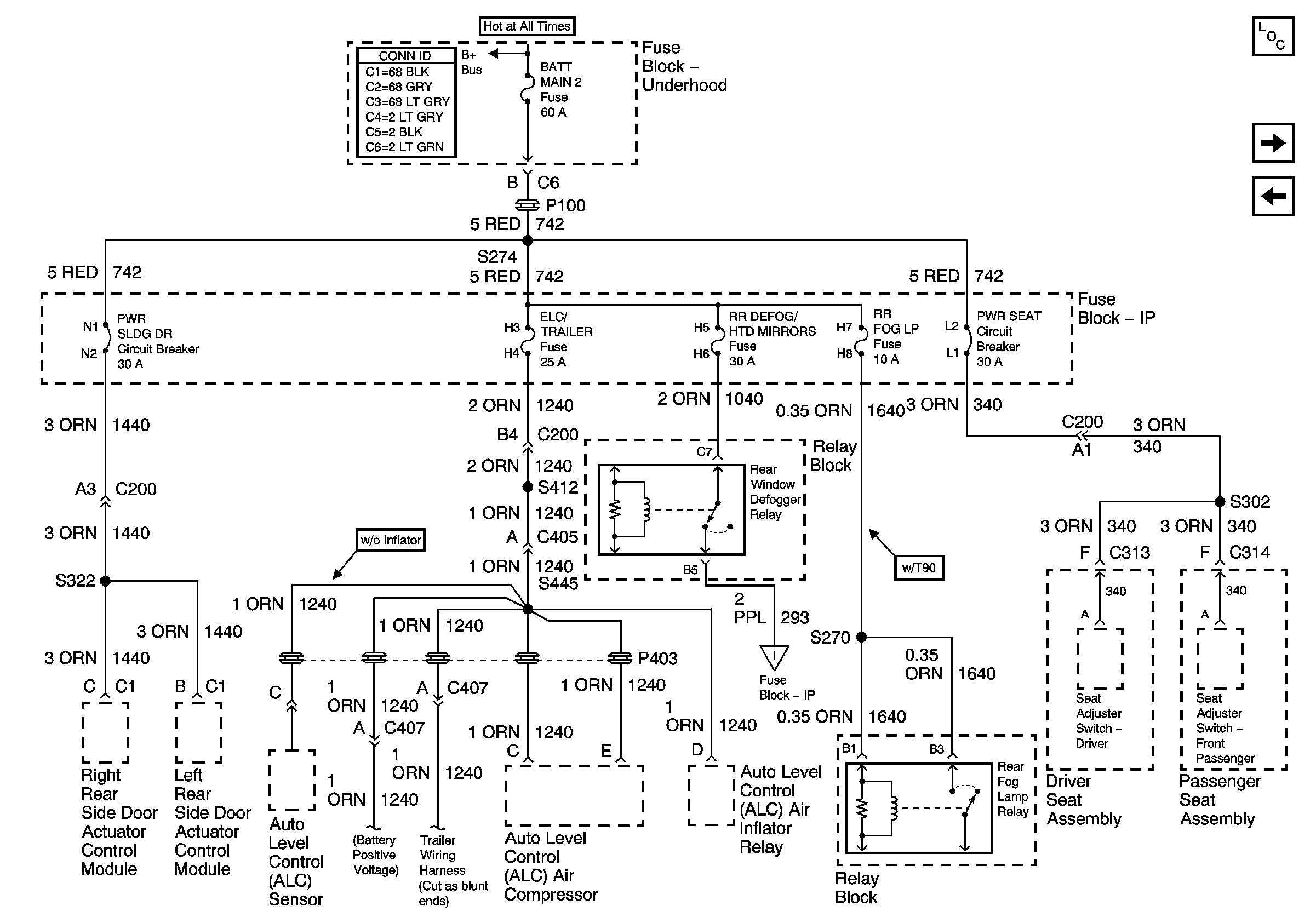
🢒 BATT Main2, ELC/ TRAILER, RR DEFOG, RR FOG LP fuses and PWR/HEATED SEAT PSD circuit breaker
BATT Main2, ELC/ TRAILER, RR DEFOG, RR FOG LP fuses and PWR/HEATED SEAT PSD circuit breaker
BATT Main 2, ELC/TRAILER, RR DEFOG, RR FOG LP Fuses and PWR/HEATED SEAT PSD Circuit Breaker
Master Electrical Component List
Underhood Accessory Wiring Junction Block, TCC, ELEK IGN fuses
EBCM, BATT Main 1, RADIO and PARK LP Fuses
SWC BACKLING, MTD MIRROR fuses