GM Service Manual Online
For 1990-2009 cars only
Makes
🢒
Chevrolet
🢒
2002
🢒
Venture Ext.
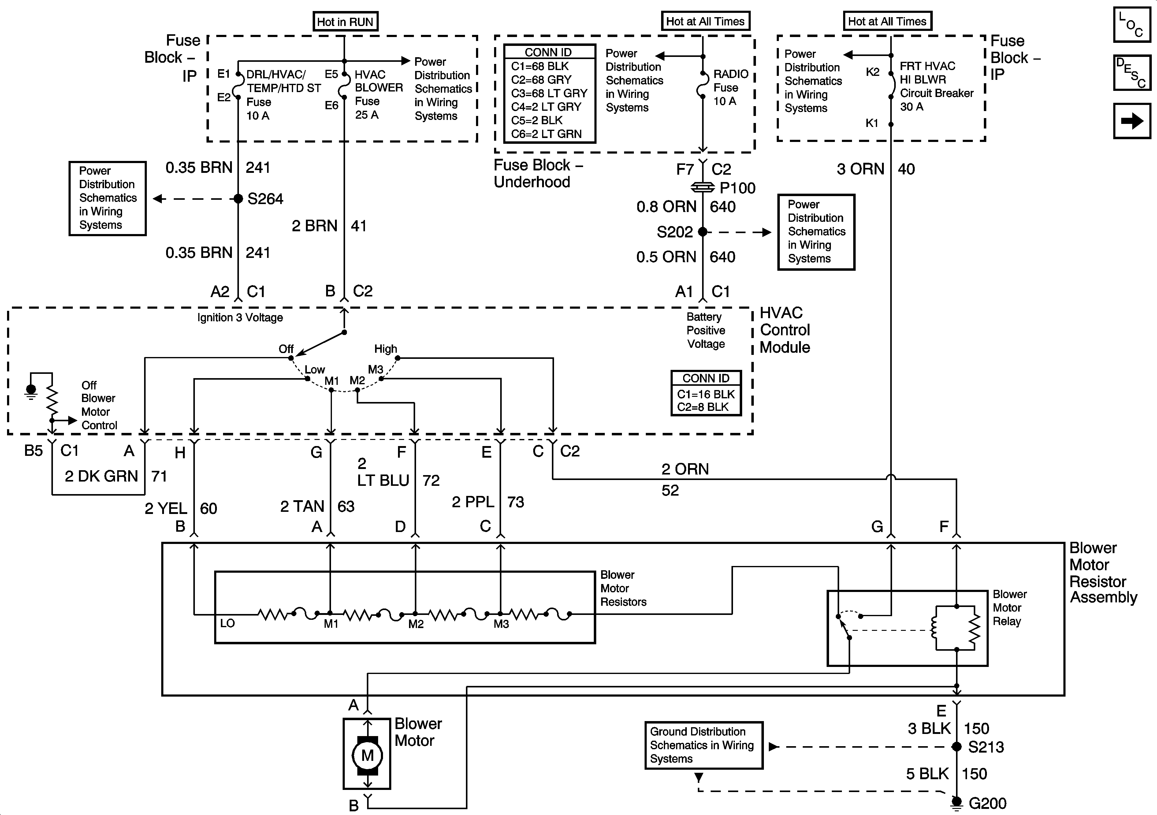
🢒 Front Blower Controls
Front Blower Controls
Front Blower Controls
Master Electrical Component List
Air Delivery Description and Operation
HVAC Compressor Control
DRL/HVAC/TEMP/HTD ST, HVAC BLOWER, RR HVAC/TEMP CONT fuses
DRL/HVAC/TEMP/HTD ST, HVAC BLOWER, RR HVAC/TEMP CONT fuses
EBCM, BATT Main 1, RADIO and PARK LP Fuses
EBCM, BATT Main 1, RADIO and PARK LP Fuses
Underhood Accessory Wiring Junction Block, STOP LAMP, HAZARD, PASSKEY, FRT HVAC HI BLWR and HEADLAMP circuit breaker
G200