GM Service Manual Online
For 1990-2009 cars only
Makes
🢒
Chevrolet
🢒
2002
🢒
Venture Ext.
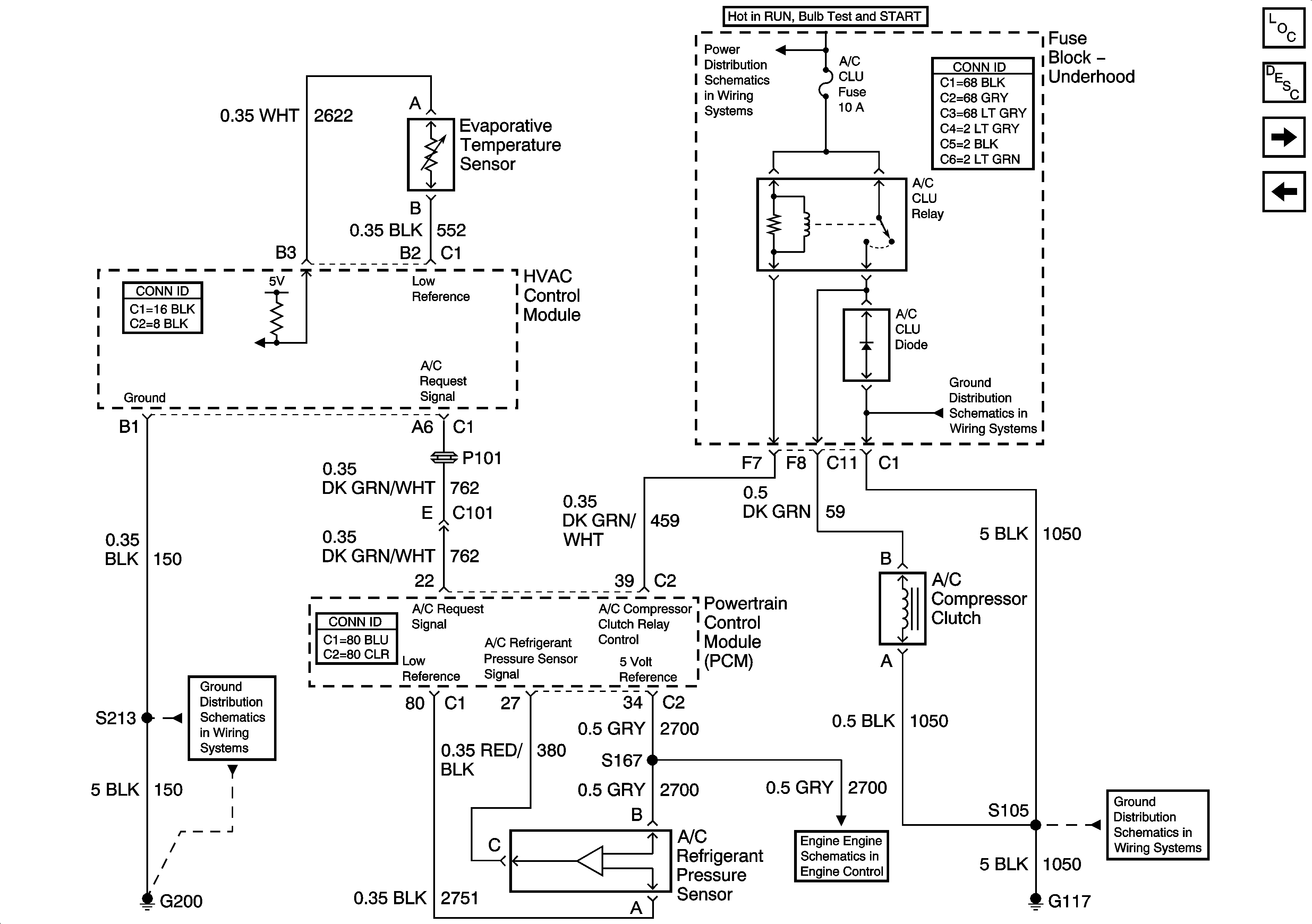
🢒 HVAC Compressor Control
HVAC Compressor Control
HVAC Compressor Control
Master Electrical Component List
Air Temperature Description and Operation
Front Air Delivery
Front Blower Controls
G200
Underhood Accessory Wiring Junction Block
G114, G117
Fuel Control Figure
G114, G117