GM Service Manual Online
For 1990-2009 cars only
Makes
🢒
Chevrolet
🢒
2002
🢒
Venture Ext.
🢒 Cooling Fans
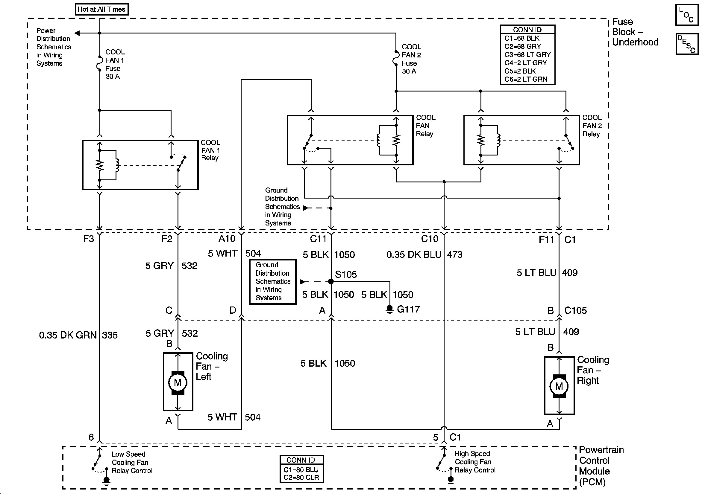
Cooling Fans
Cooling Fans
Master Electrical Component List
Cooling System Description and Operation
Underhood Accessory Wiring Junction Block
G114, G117
G114, G117