GM Service Manual Online
For 1990-2009 cars only
Makes
🢒
Chevrolet
🢒
2002
🢒
Venture Ext.
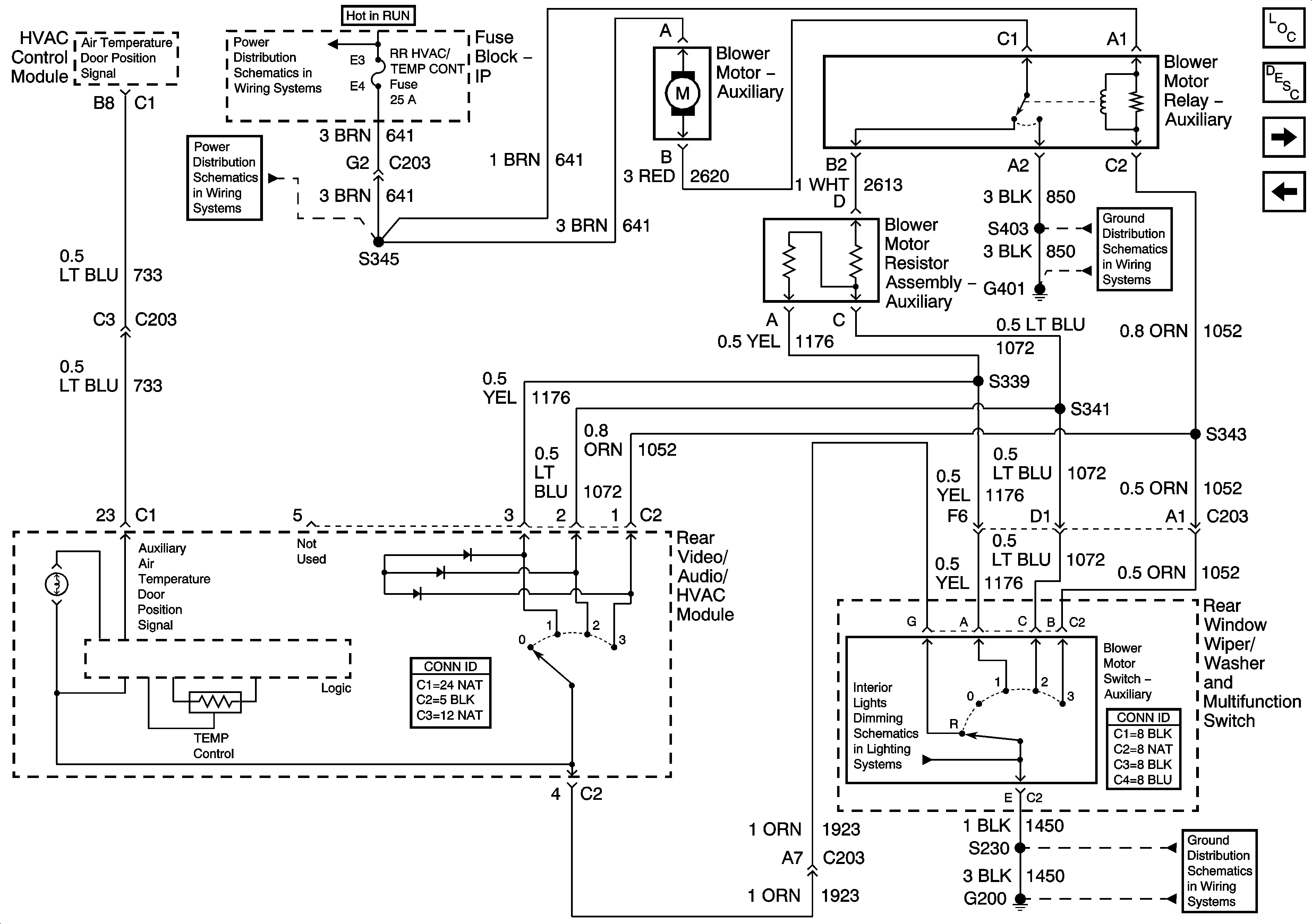
🢒 Rear Blower Controls with Video Entertainment
Rear Blower Controls with Video Entertainment
Rear Blower Controls with Video Entertainment
Master Electrical Component List
Air Delivery Description and Operation
Rear Air Delivery
Rear Blower Controls
DRL/HVAC/TEMP/HTD ST, HVAC BLOWER, RR HVAC/TEMP CONT fuses
DRL/HVAC/TEMP/HTD ST, HVAC BLOWER, RR HVAC/TEMP CONT fuses
G401
Rear Window Wiper/Washer and Multifunction Switch, Window and Door Lock Switches
G200