GM Service Manual Online
For 1990-2009 cars only
Makes
🢒
Chevrolet
🢒
2002
🢒
Venture Ext.
🢒 Sensors and Switches Schematics
Sensors and Switches Schematics
Sensors and Switches
Master Electrical Component List
Instrument Cluster Description and Operation
Class 2 Telltales
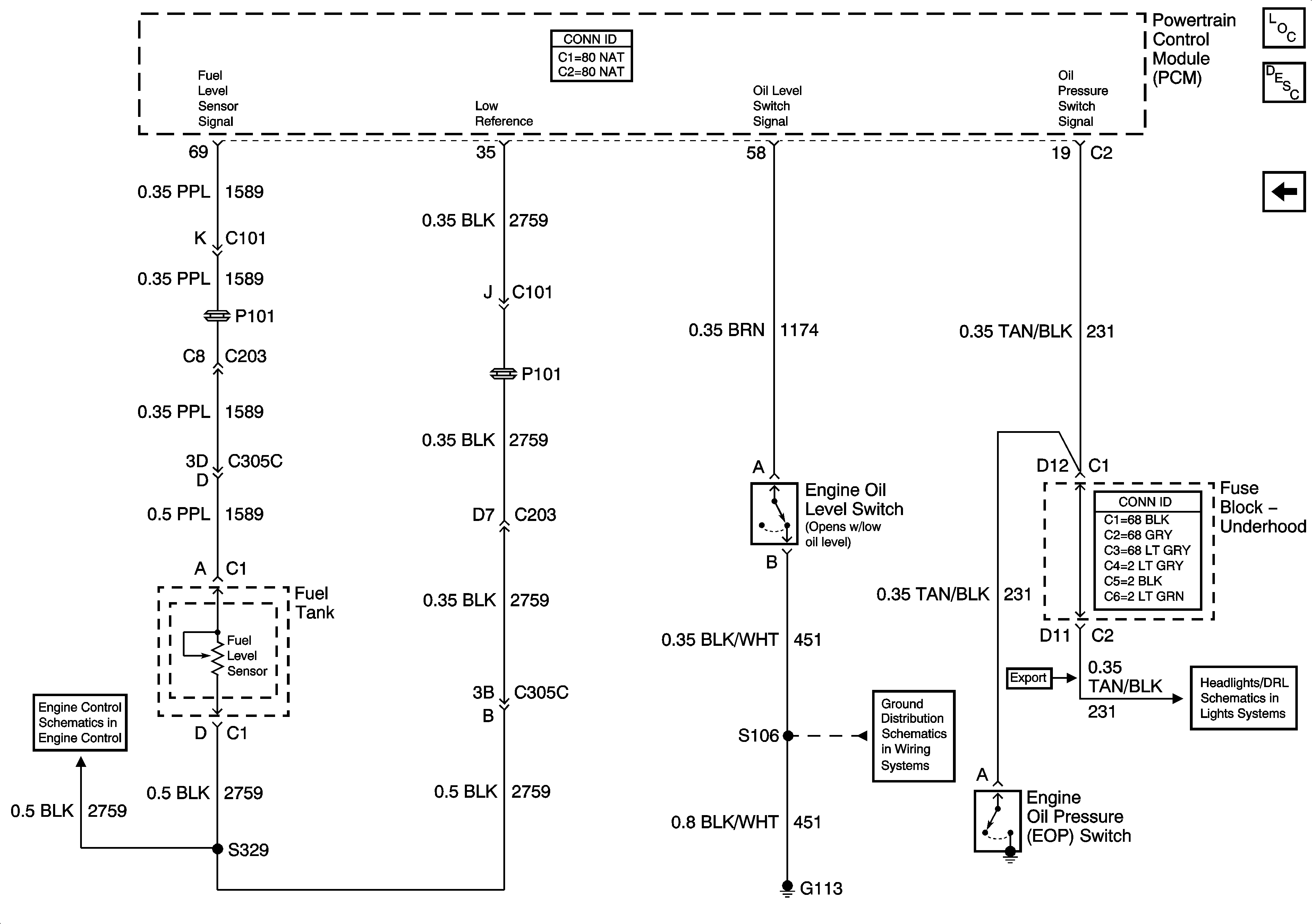
Fuel Control Figure
G100, G111, G113
Daytime Running Lamp Control Module