GM Service Manual Online
For 1990-2009 cars only
Makes
🢒
Chevrolet
🢒
2002
🢒
Venture Ext.
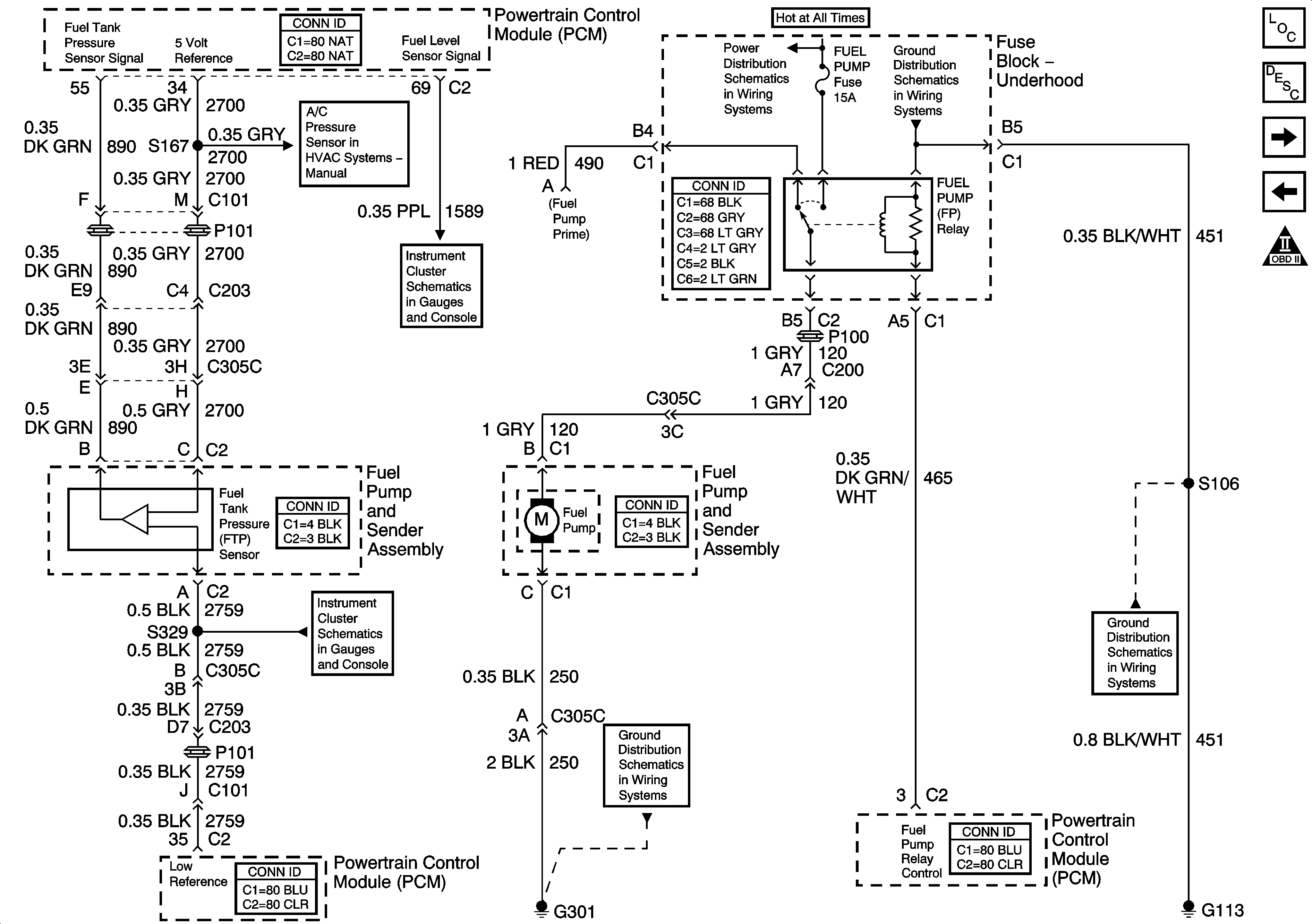
🢒 Fuel Control Figure
Fuel Control Figure
Fuel Controls - Fuel Pump Controls
Master Electrical Component List
Powertrain Control Module Description
Engine Data Sensors Figure
Ignition System, Knock Sensor
OBD II Symbol Description Notice
Coolant Fans Figure
Sensors and Switches Schematics
Underhood Accessory Wiring Junction Block
G100, G111, G113
Sensors and Switches Schematics
G210, G301
G100, G111, G113