GM Service Manual Online
For 1990-2009 cars only
Makes
🢒
Chevrolet
🢒
2003
🢒
Venture Ext.
🢒 Engine Data Sensors - Pressure and Temperature
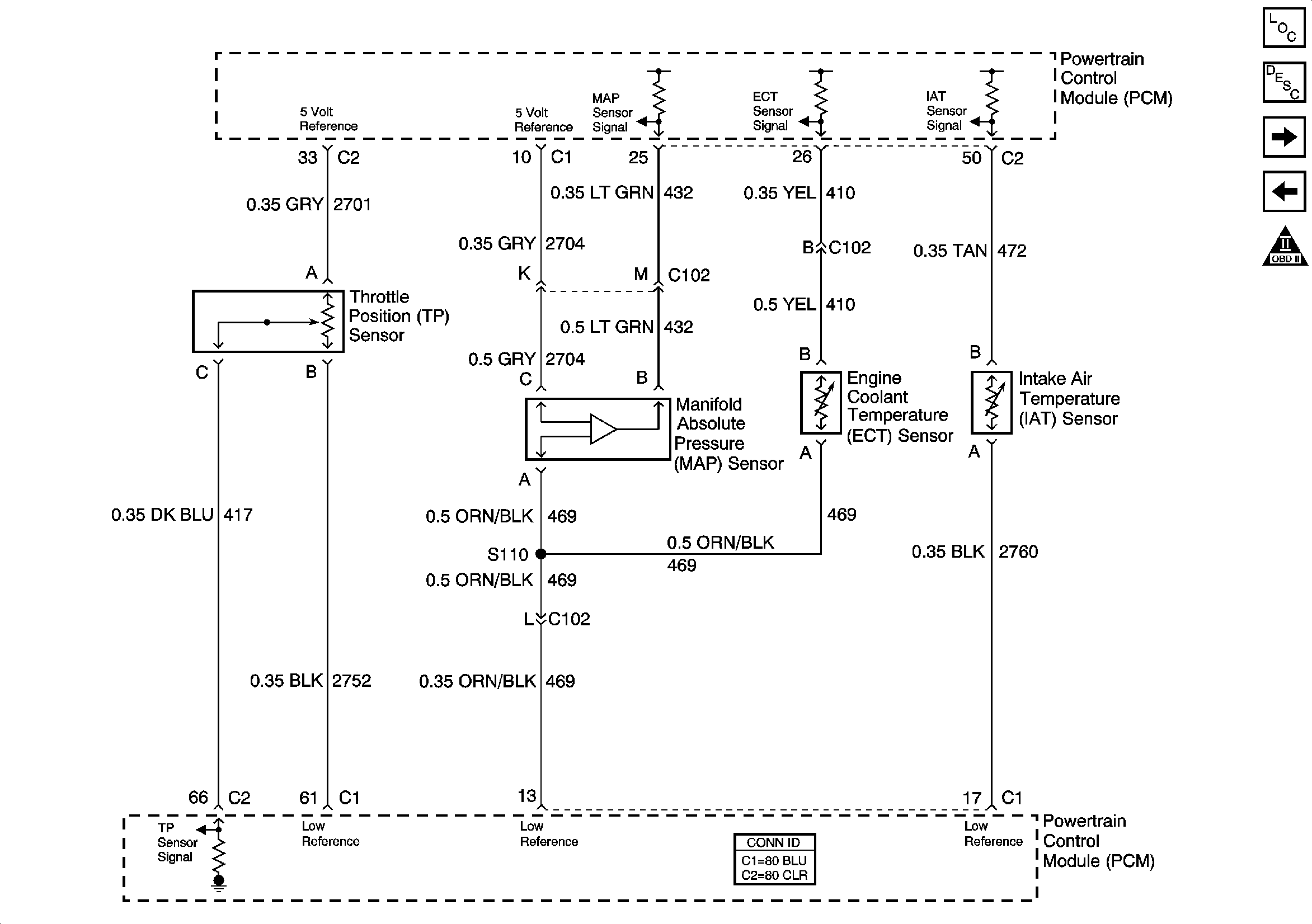
Engine Data Sensors - Pressure and Temperature
Engine Data Sensors - Pressure and Temperature
Master Electrical Component List
Powertrain Control Module Description
Engine Data Sensors - MAF and VSS
Engine Data Sensors - 5 Volt and Low Reference
OBD II Symbol Description Notice