GM Service Manual Online
For 1990-2009 cars only
Makes
🢒
Chevrolet
🢒
2003
🢒
Venture Ext.
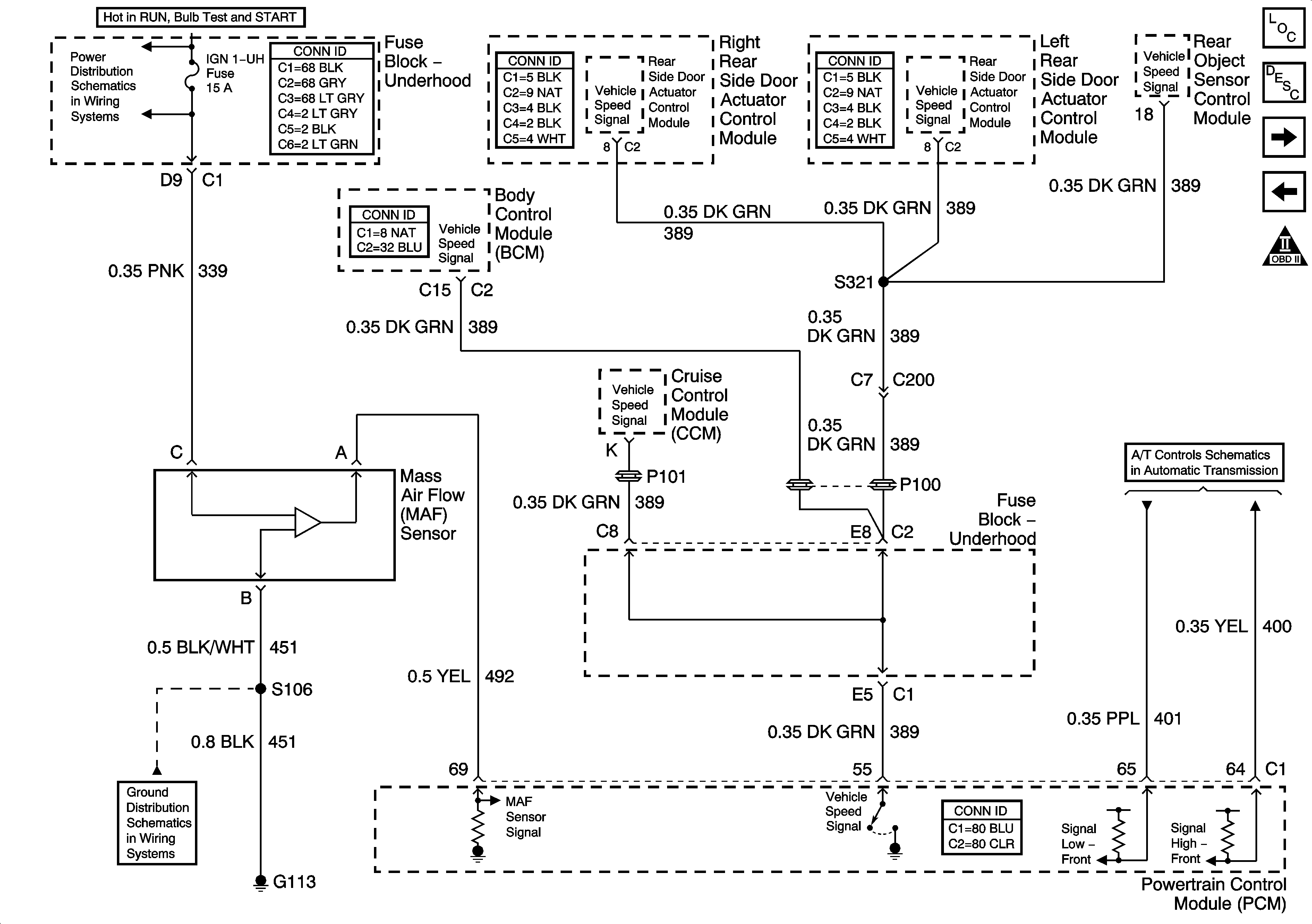
🢒 Engine Data Sensors - MAF and VSS
Engine Data Sensors - MAF and VSS
Engine Data Sensors - MAF and VSS
Master Electrical Component List
Powertrain Control Module Description
Engine Data Sensors - HO2S
Engine Data Sensors - Pressure and Temperature
OBD II Symbol Description Notice
Fuse Block - Underhood IGN 1 - U/H Fuse
G101, G111, and G113
PCM Power, Ground, VSS and Park/Neutral Position (PNP) Switch