GM Service Manual Online
For 1990-2009 cars only
Makes
🢒
Chevrolet
🢒
2004
🢒
Venture Ext.
🢒 Device Controls
Device Controls
Device Controls
Master Electrical Component List
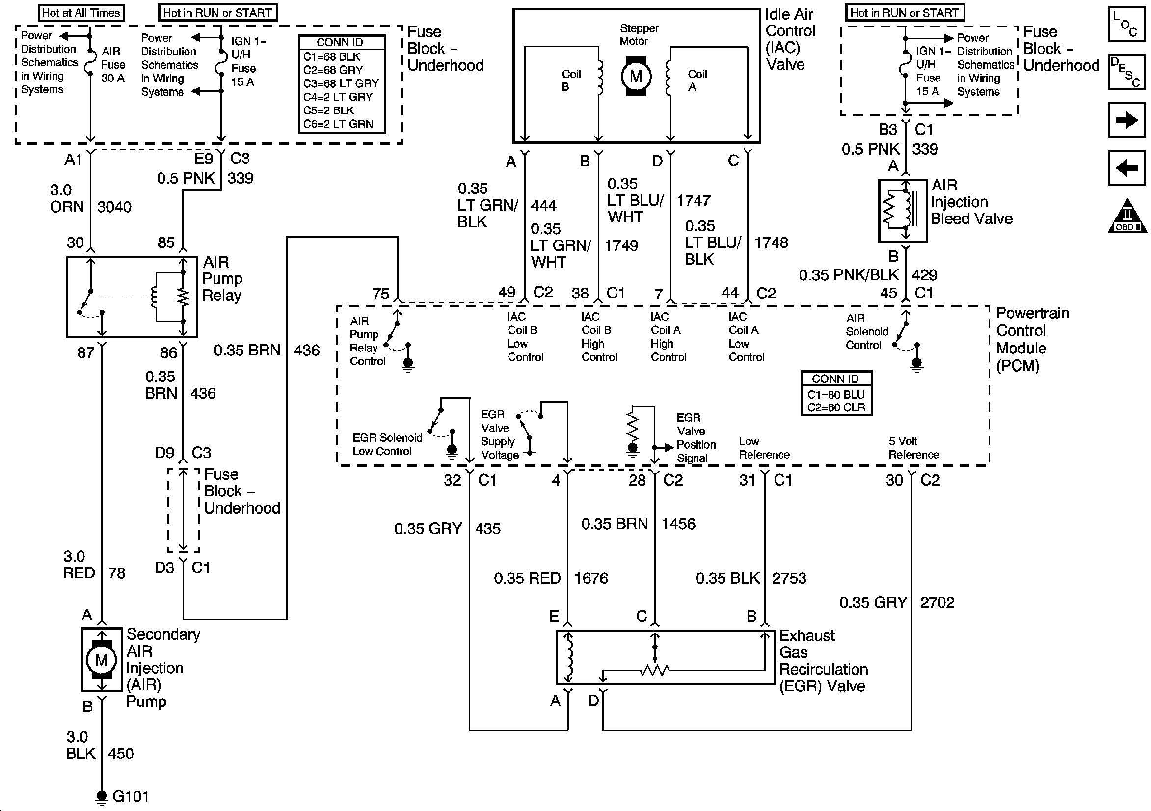
Powertrain Control Module Description
Controlled/Monitored Subsystem References
Fuel Control - Fuel Injectors
OBD II Symbol Description Notice
RAP Relay, Fuse Block - Underhood, and Fuse Block - I/P Fuses
Fuse Block - Underhood IGN 1 - U/H Fuse
Fuse Block - Underhood IGN 1 - U/H Fuse