GM Service Manual Online
For 1990-2009 cars only
Makes
🢒
Chevrolet
🢒
2007
🢒
Vivant
🢒
Body Systems
🢒
Lighting
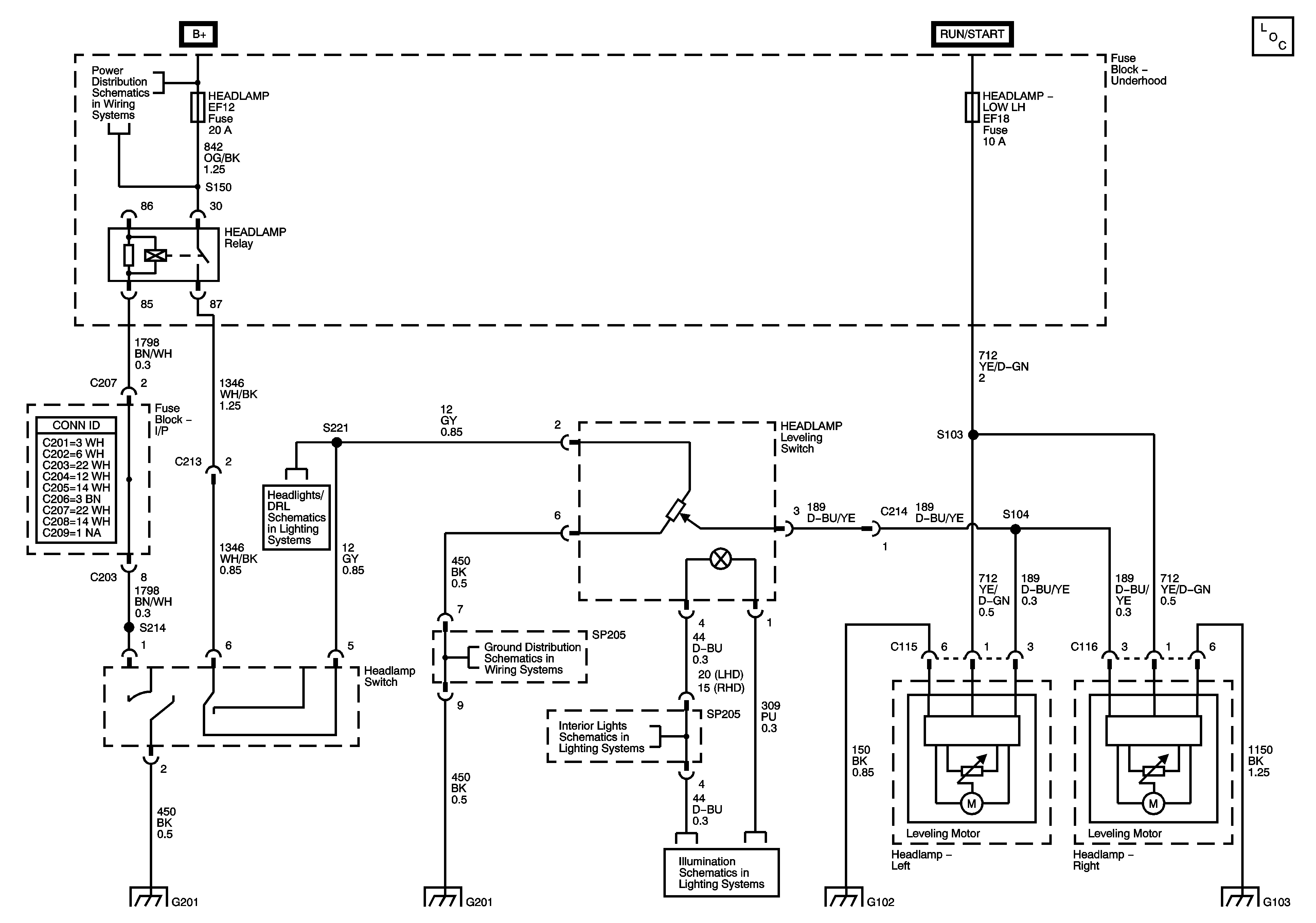
🢒 Headlight Leveling Schematics
Master Electrical Component List
Engine Main and Fuel Pump Fuses (MR-140)
Headlights (LHD)
G201, G202 (LHD)
Lamp Control Module-Battery Saver
IP Illumination (w/ Dimming (LHD))