GM Service Manual Online
For 1990-2009 cars only
Makes
🢒
Chevrolet
🢒
2007
🢒
Vivant
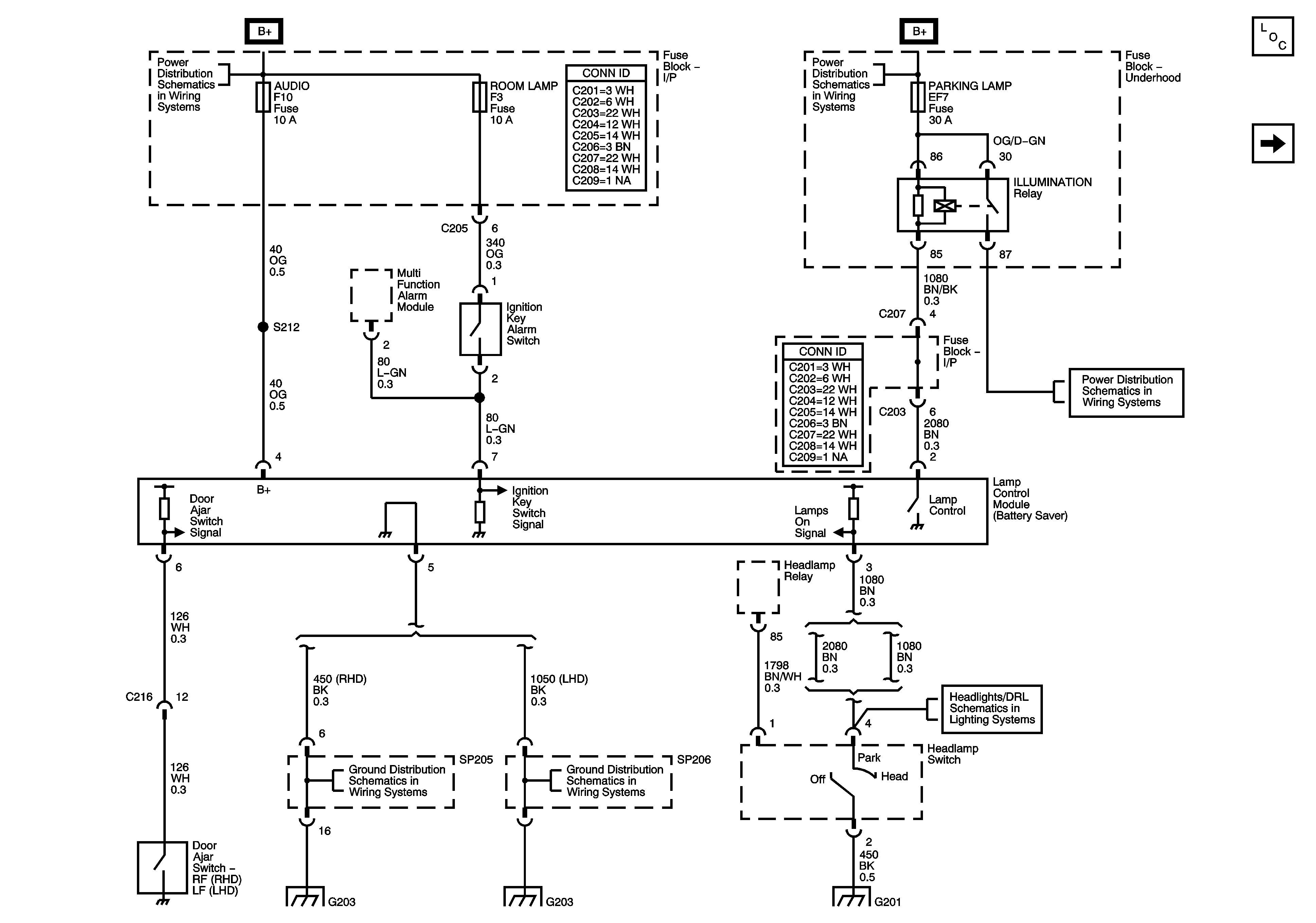
🢒 Lamp Control Module-Battery Saver
Lamp Control Module-Battery Saver
Lamp Control Module - Battery Saver
Master Electrical Component List
Courtesy Lamps
Main Fuse (LHD)
Parking Lamp LH, Parking Lamp RH Fuses, Parking Lamp Relay
Parking Lamp LH, Parking Lamp RH Fuses, Parking Lamp Relay
G203
G203
Daytime Running Lamps (DRL)