GM Service Manual Online
For 1990-2009 cars only
Makes
🢒
Chevrolet
🢒
2007
🢒
Vivant
🢒
Body Systems
🢒
Vehicle Access
🢒 Door Lock/Indicator Schematics
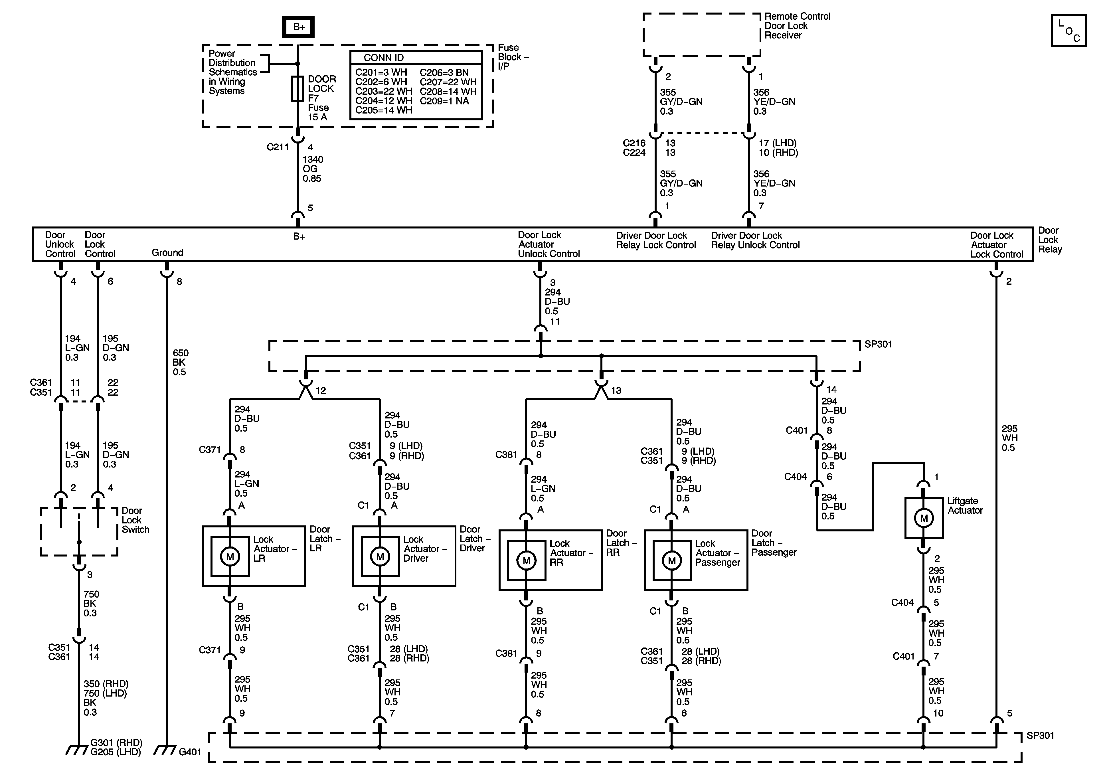
Power Door Lock Schematics
Master Electrical Component List
Underhood Fuse Block-Battery Feeds