GM Service Manual Online
For 1990-2009 cars only
Makes
🢒
Chevrolet
🢒
2007
🢒
Vivant
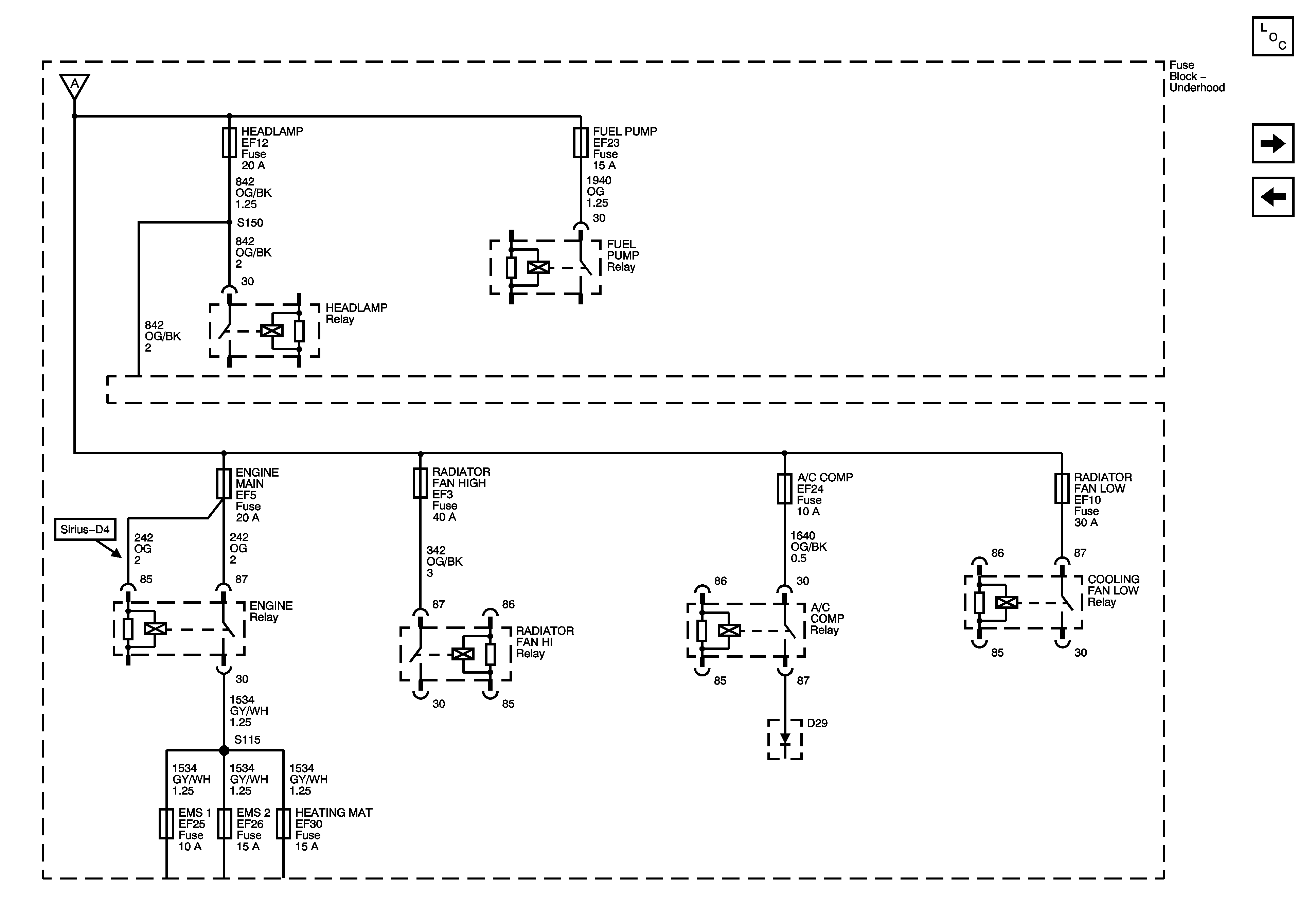
🢒 Underhood Fuse Block - Battery Feeds
Underhood Fuse Block - Battery Feeds
Underhood Fuse Block - Battery Feeds
Master Electrical Component List
ABS, ECM and SIREN Fuses
Underhood Fuse Block - Battery Feeds
Underhood Fuse Block - Battery Feeds