GM Service Manual Online
For 1990-2009 cars only
Makes
🢒
Chevrolet
🢒
2007
🢒
Vivant
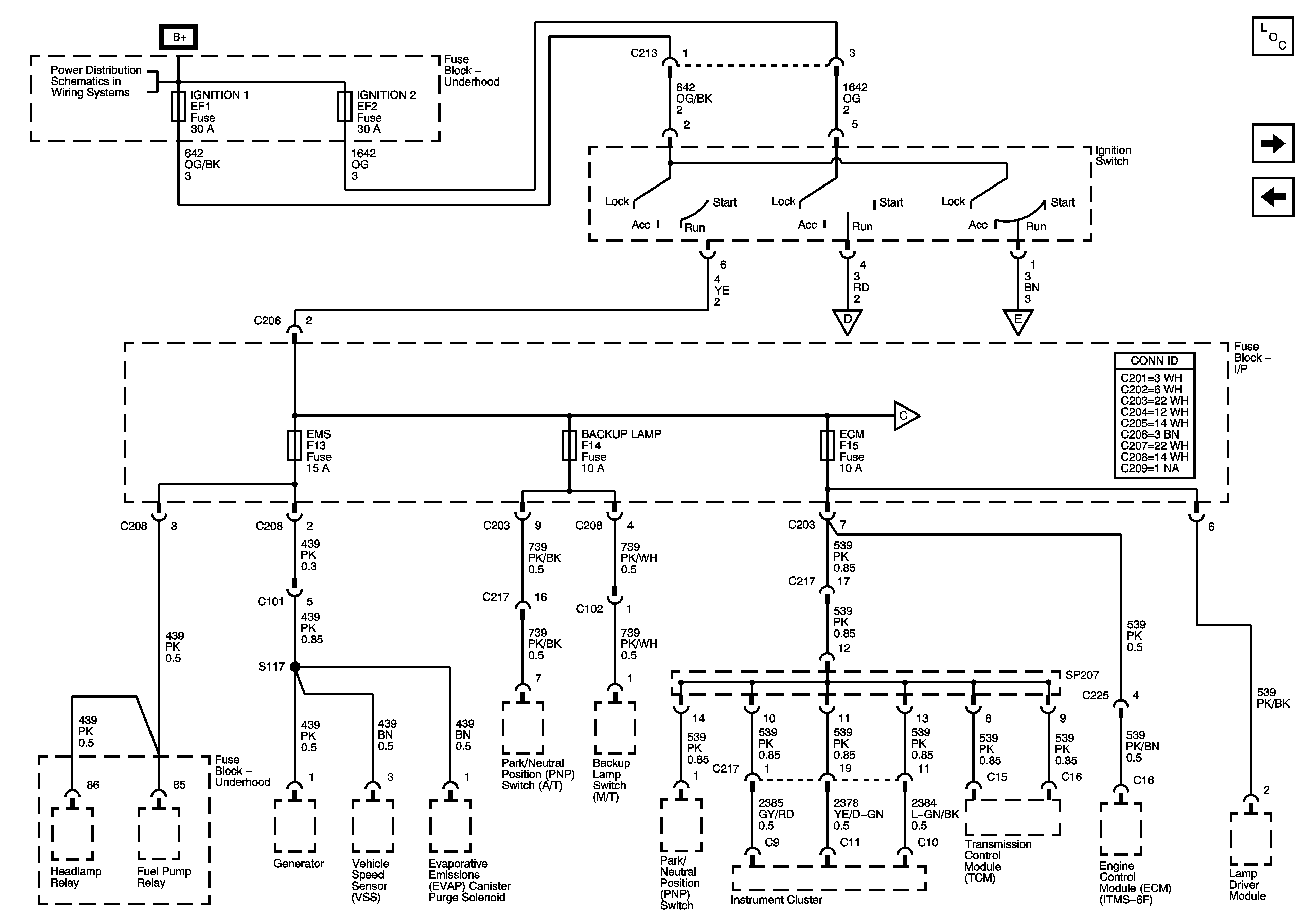
🢒 IGNITION 1 and IGNITION 2 Fuses (ITMS-6F)
IGNITION 1 and IGNITION 2 Fuses (ITMS-6F)
IGNITION 1 and IGNITION 2 Fuses (ITMS-6F)
Master Electrical Component List
IGNITION 1 and IGNITION 2 Fuses (Sirius D4)
IGNITION 1 and IGNITION 2 Fuses (MR-140)
IGNITION 1 and IGNITION 2 Fuses (MR-140)
IGNITION 1 and IGNITION 2 Fuses (MR-140)
IGNITION 1 and IGNITION 2 Fuses (MR-140)