GM Service Manual Online
For 1990-2009 cars only
Makes
🢒
Chevrolet
🢒
2007
🢒
Vivant
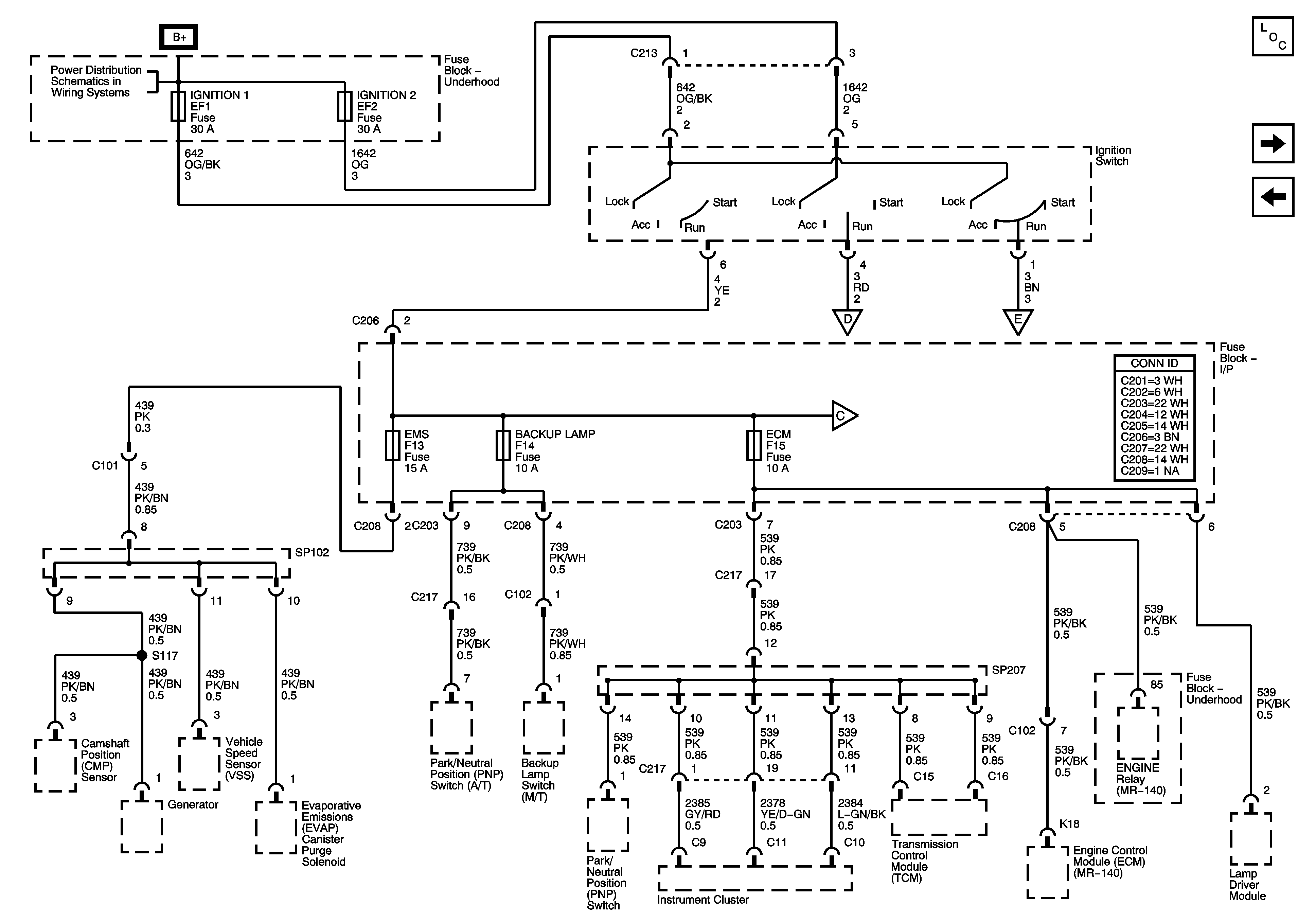
🢒 IGNITION 1 and IGNITION 2 Fuses (MR-140)
IGNITION 1 and IGNITION 2 Fuses (MR-140)
IGNITION 1 and IGNITION 2 Fuses (MR-140)
Master Electrical Component List
IGNITION 1 and IGNITION 2 Fuses (ITMS-6F)
FUEL PUMP, RADIATOR, FAN HIGH, A/C COMP, and RADIATOR FAN LOW Fuses
IGNITION 1 and IGNITION 2 Fuses (ITMS-6F)
IGNITION 1 and IGNITION 2 Fuses (ITMS-6F)
IGNITION 1 and IGNITION 2 Fuses (ITMS-6F)