GM Service Manual Online
For 1990-2009 cars only

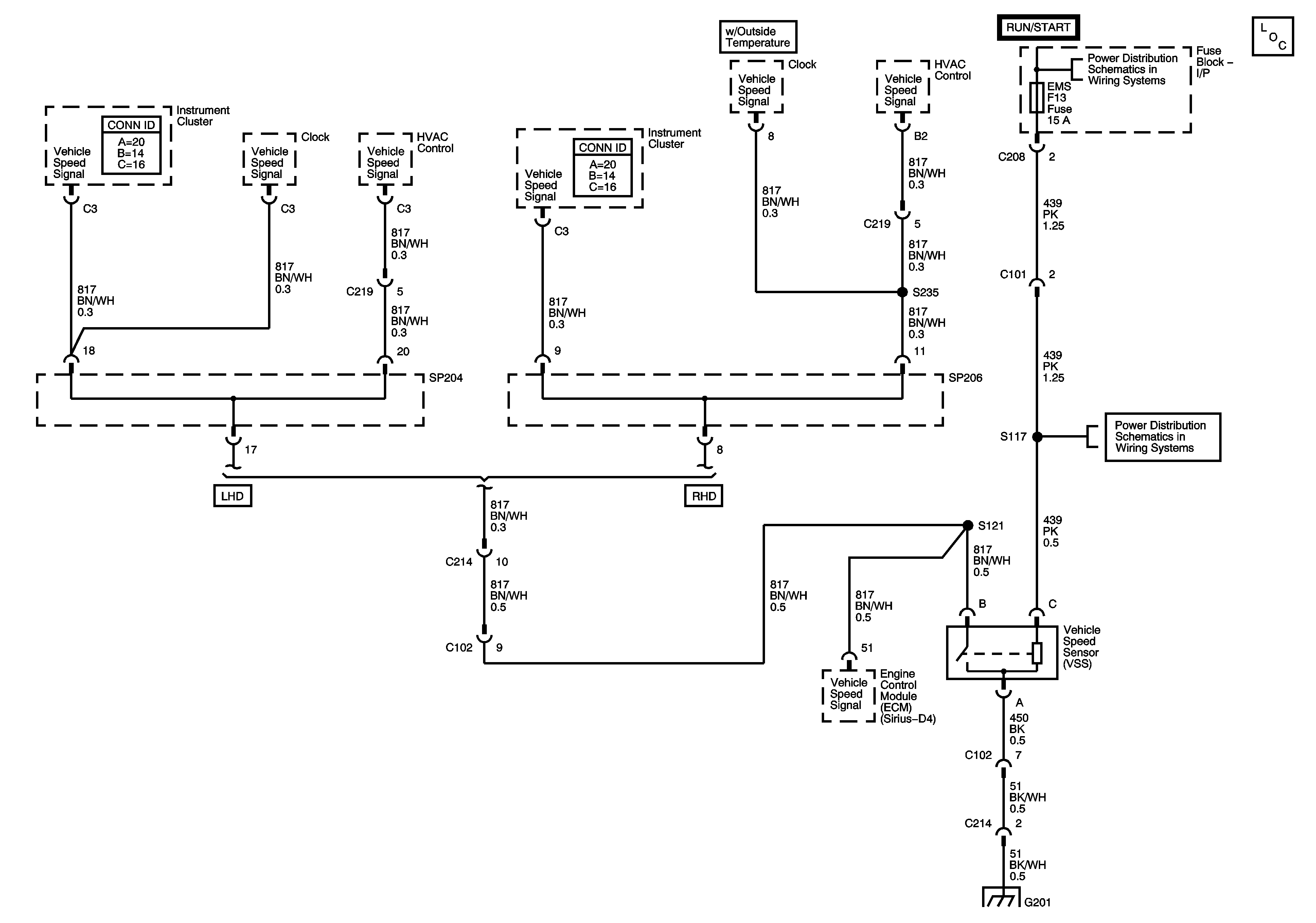
Vehicle Speed Sensor

Vehicle Speed Sensor


Object Number: 1503436  Size: FS
Master Electrical Component List
IGNITION 1 and IGNITION 2 Fuses (MR-140)
IGNITION 1 and IGNITION 2 Fuses (MR-140)