GM Service Manual Online
For 1990-2009 cars only
Makes
🢒
Chevrolet
🢒
2007
🢒
Vivant
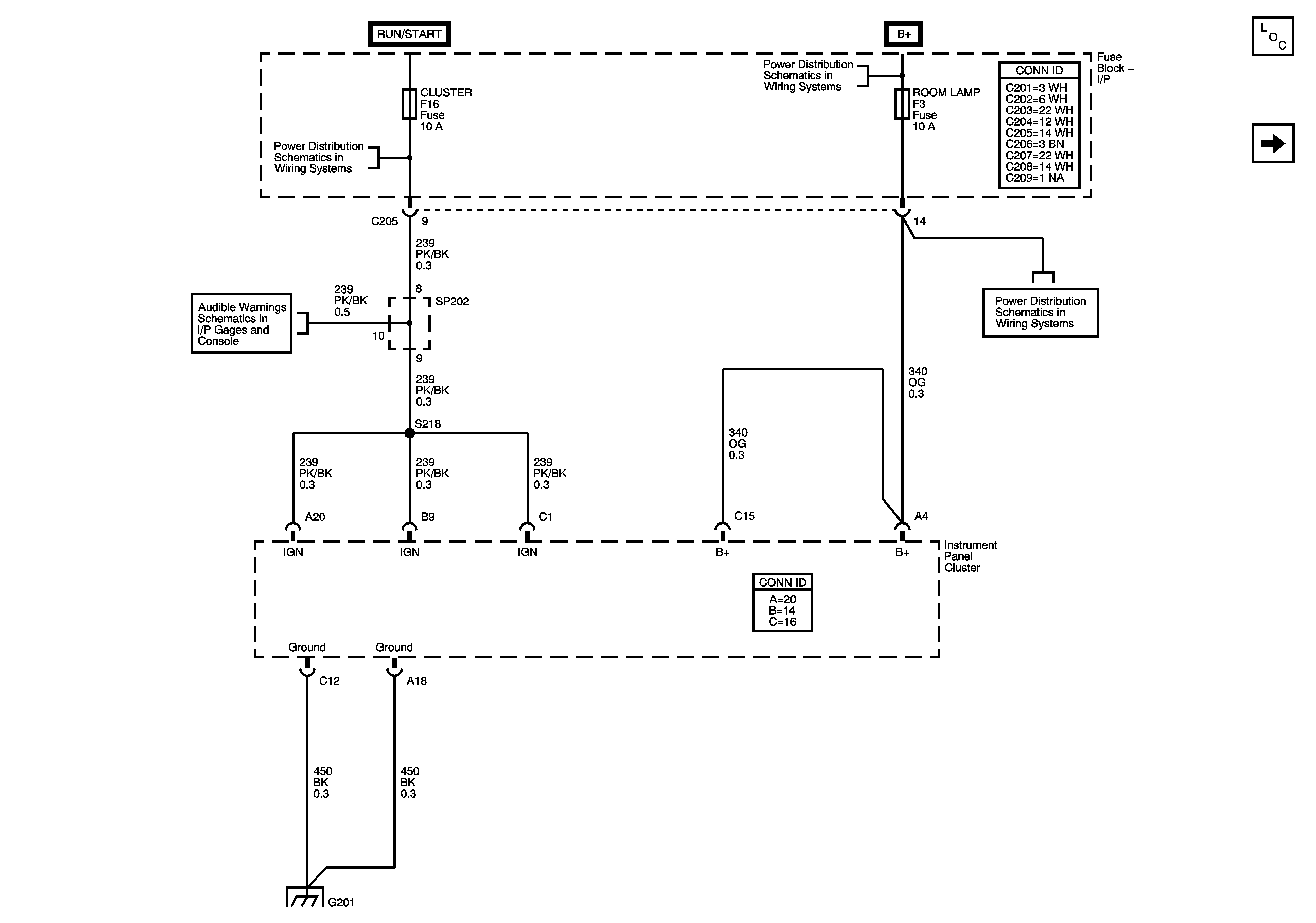
🢒 Power and Grounds (RHD)
Power and Grounds (RHD)
Powers and Grounds (RHD)
Master Electrical Component List
Cluster (ITMS-6F) - Odometer, Speedometer, Tachometer, Temp, Fuel, Fuel Warning Lamp, Illumination Lamp
Power and Grounds (LHD)
CLUSTER, AIR BAG, TURN SIGNAL, and CRUISE Fuses (LHD)
Audible Warning Schematic
Underhood Fuse Block - Battery Feeds