GM Service Manual Online
For 1990-2009 cars only
Makes
🢒
Chevrolet
🢒
2007
🢒
Vivant
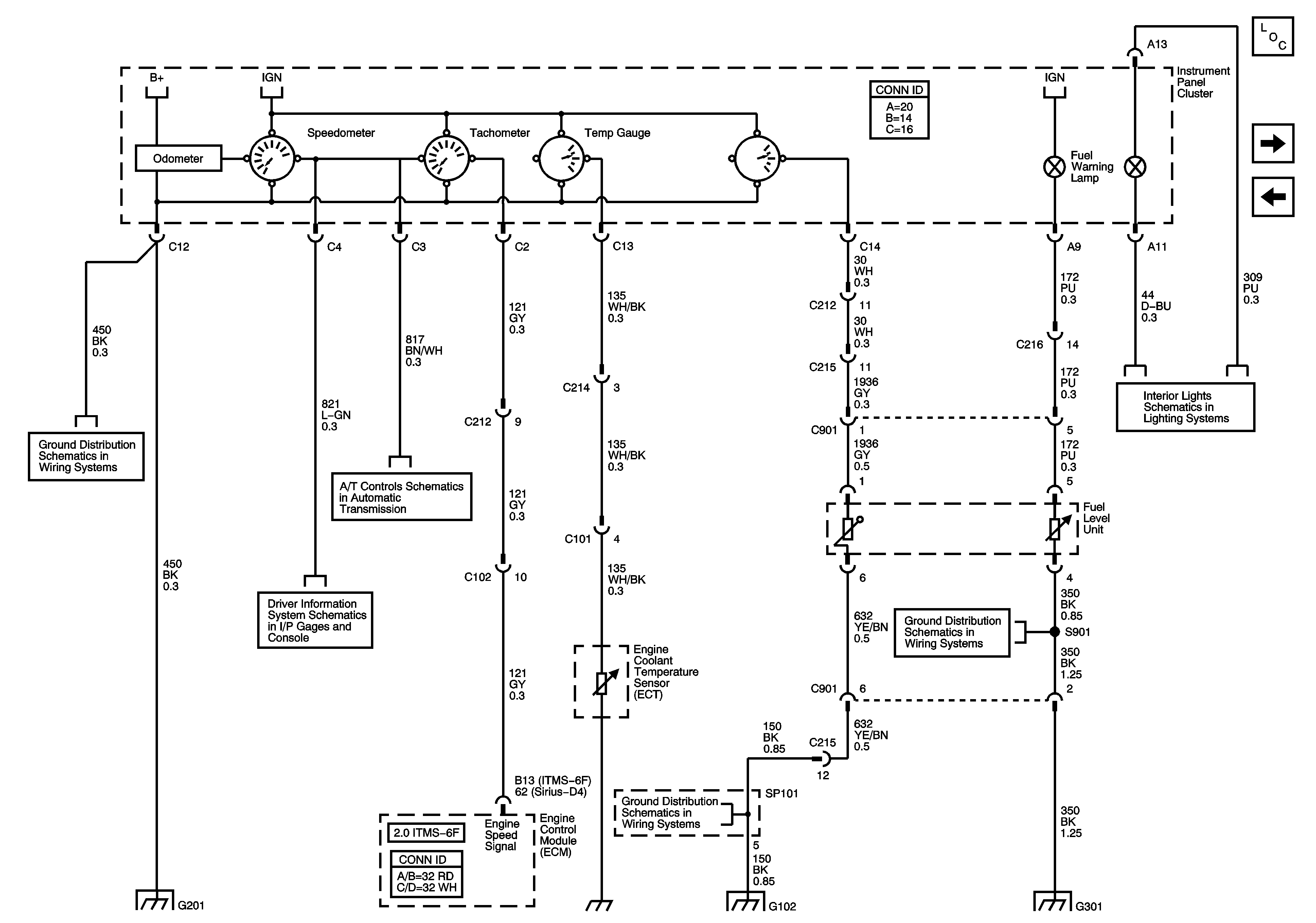
🢒 Cluster (ITMS-6F) - Odometer, Speedometer, Tachometer, Temp, Fuel, Fuel Warning Lamp, Illumination Lamp
Cluster (ITMS-6F) - Odometer, Speedometer, Tachometer, Temp, Fuel, Fuel Warning Lamp, Illumination Lamp
Cluster - ITMS-6F - Odometer, Speedometer, Tachometer, Temperature, Fuel, Fuel Warning Lamp, Illumination Lamp
Master Electrical Component List
Cluster (MR-140) - Odometer, Speedometer, Tachometer, Temp, Fuel, Fuel Warning Lamp, Illumination Lamp
Power and Grounds (RHD)
G201, G202 (LHD)
Clock
Vehicle Speed Signal
G102, G101, G106
G301
IP Illumination (w/ Dimming (LHD))