GM Service Manual Online
For 1990-2009 cars only
Makes
🢒
Chevrolet
🢒
2007
🢒
Vivant
🢒 Daytime Running Lamps (DRL)
Daytime Running Lamps (DRL)
Daytime Running Lamps (DRL)
Master Electrical Component List
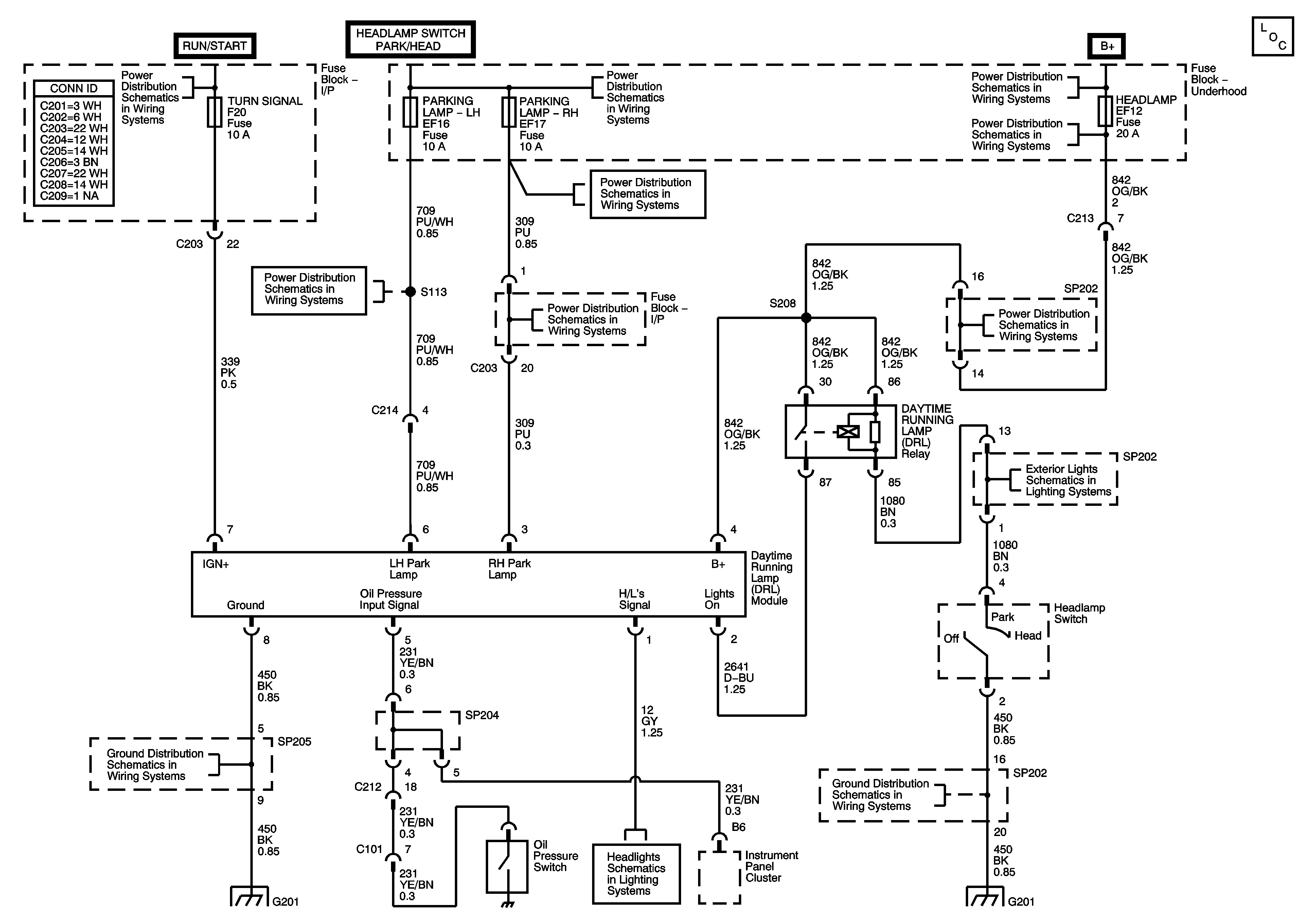
CLUSTER, AIR BAG, TURN SIGNAL, and CRUISE Fuses (LHD)
PARKING LAMP LH, PARKING LAMP RH Fuses, PARKING LAMP Relay Continued (LHD)
HEADLAMP Fuse and HEADLAMP Relay
HEADLAMP Fuse and HEADLAMP Relay
PARKING LAMP LH, PARKING LAMP RH Fuses, PARKING LAMP Relay Continued (LHD)
PARKING LAMP LH, PARKING LAMP RH Fuses, PARKING LAMP Relay Continued (LHD)
PARKING LAMP, LH, PARKING LAMP RH Fuses, PARKING LAMP Relay Continued (RHD)
HEADLAMP Fuse and HEADLAMP Relay
Headlights (LHD)
G201, G202 (LHD)
G201, G202 (LHD)
Headlights (LHD)