GM Service Manual Online
For 1990-2009 cars only
Makes
🢒
Chevrolet
🢒
2007
🢒
Vivant
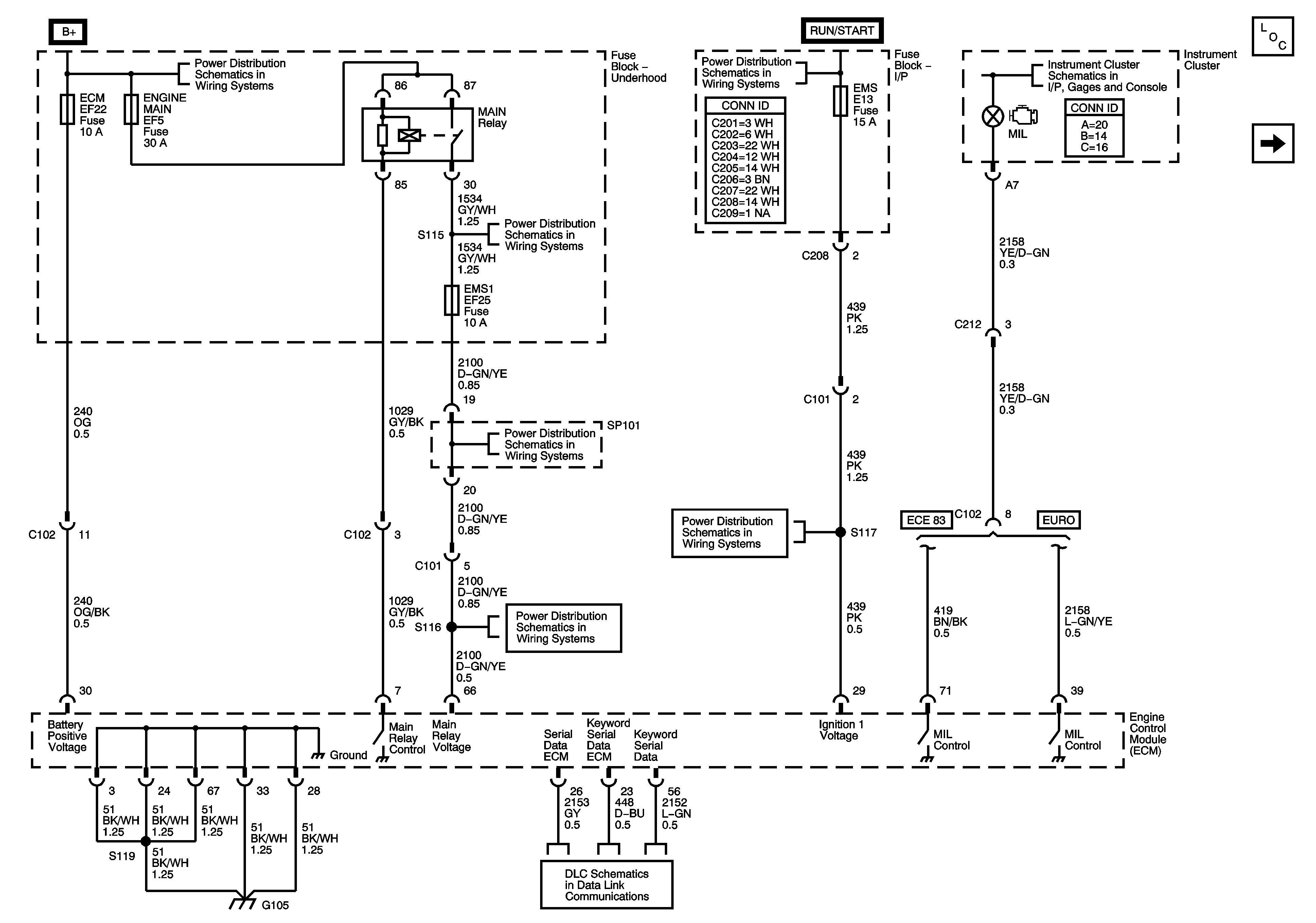
🢒 Module Power, Ground, Serial Data, MIL
Module Power, Ground, Serial Data, MIL
Module Power, Ground, Serial Data, Malfunction Indicator Lamp (MIL)
Master Electrical Component List
Engine Data Sensors-Pressure and Temperature
Ignition 1 and 2 Fuses (ITMS-6F)
Ignition 1 and 2 Fuses (ITMS-6F)
Ignition 1 and 2 Fuses (ITMS-6F)
Ignition 1 and 2 Fuses (ITMS-6F)
Ignition 1 and 2 Fuses (ITMS-6F)
Ignition 1 and 2 Fuses (ITMS-6F)
LHD