GM Service Manual Online
For 1990-2009 cars only
Makes
🢒
Chevrolet
🢒
2007
🢒
Vivant
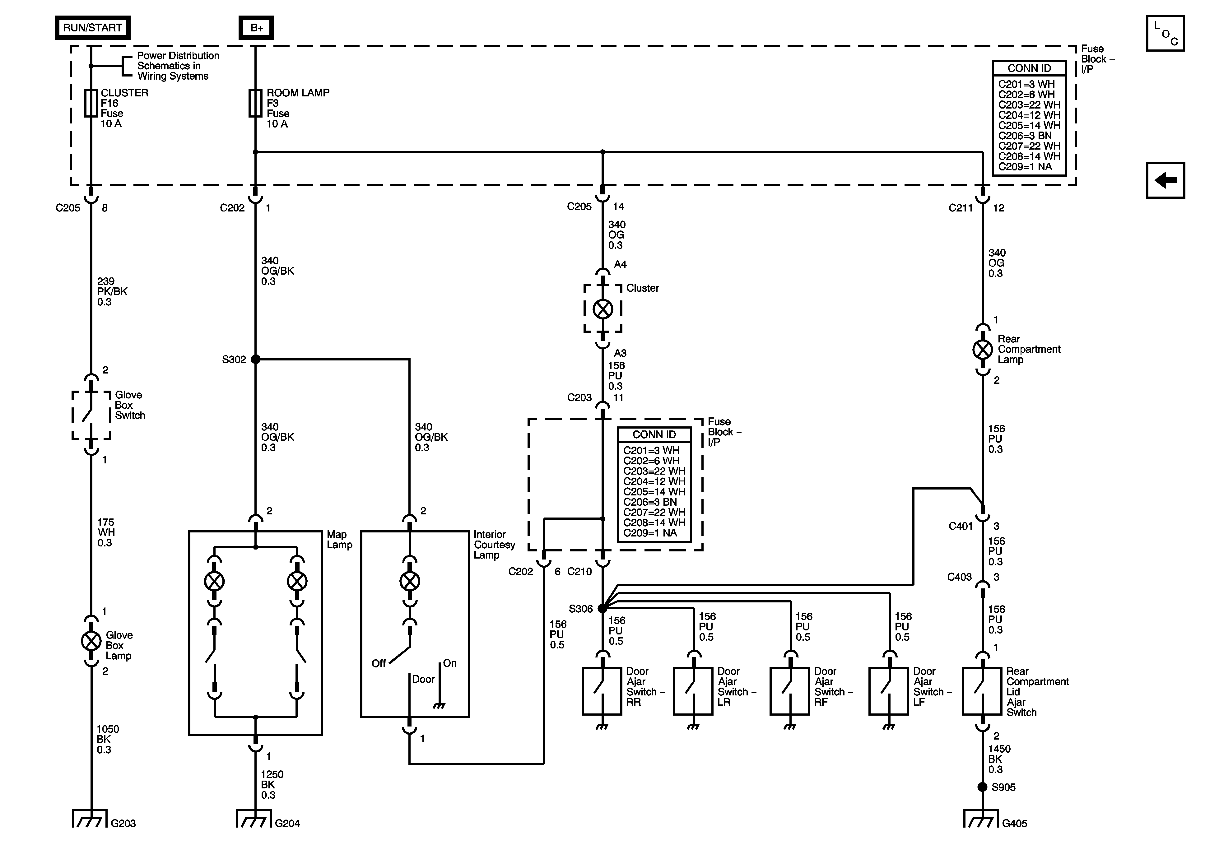
🢒 Courtesy Lamps
Courtesy Lamps
Courtesy Lamps
Master Electrical Component List
Lamp Control Module-Battery Saver
Relay Ignition Fuse