GM Service Manual Online
For 1990-2009 cars only
Figure 1:

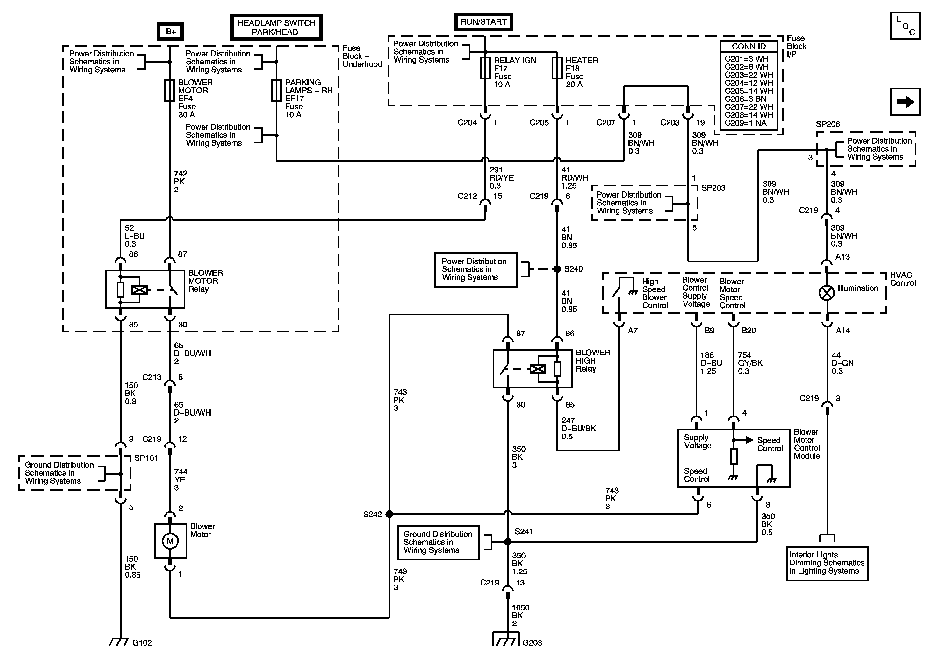
Blower Controls


Object Number: 1346324  Size: FS
Master Electrical Component List
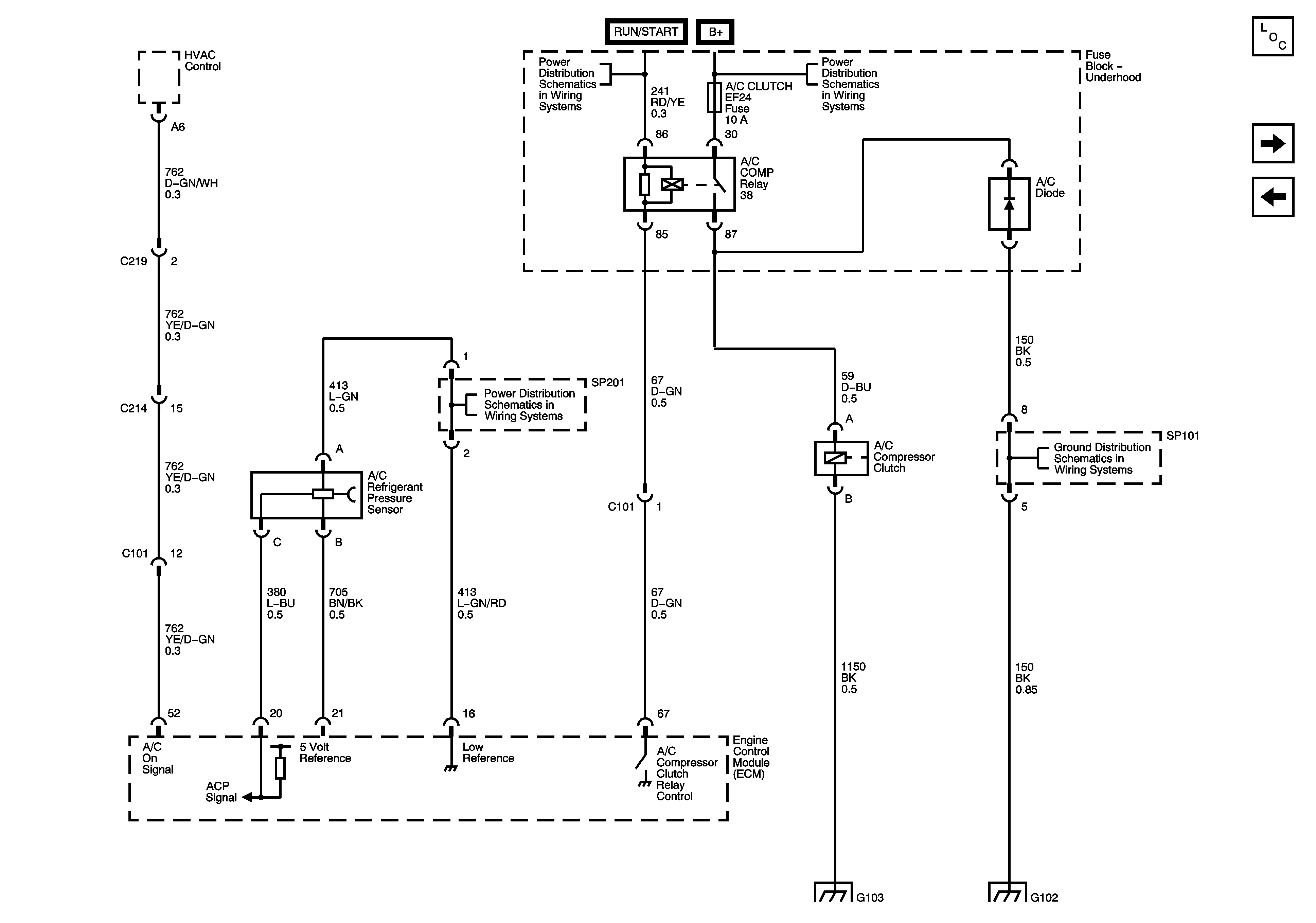
Compressor Controls (Sirius D4)
Fuse Block - Underhood B+ Bus, 1 of 2
Fuse Block - Underhood HEADLAMP, POWER WINDOW, REAR DEFOGGER Fuses
Fuse Block - Underhood B+ Bus, 1 of 2
Fuse Block - Underhood PARKING LAMP Fuses, PARKING LAMP Relay
Fuse Block - Underhood PARKING LAMP Fuses, PARKING LAMP Relay
G102, G101, G106
G203
IP Illumination (w/ Dimming (LHD))
Figure 2:

Temperature Controls/Air Delivery


Object Number: 1346325  Size: FS
Master Electrical Component List
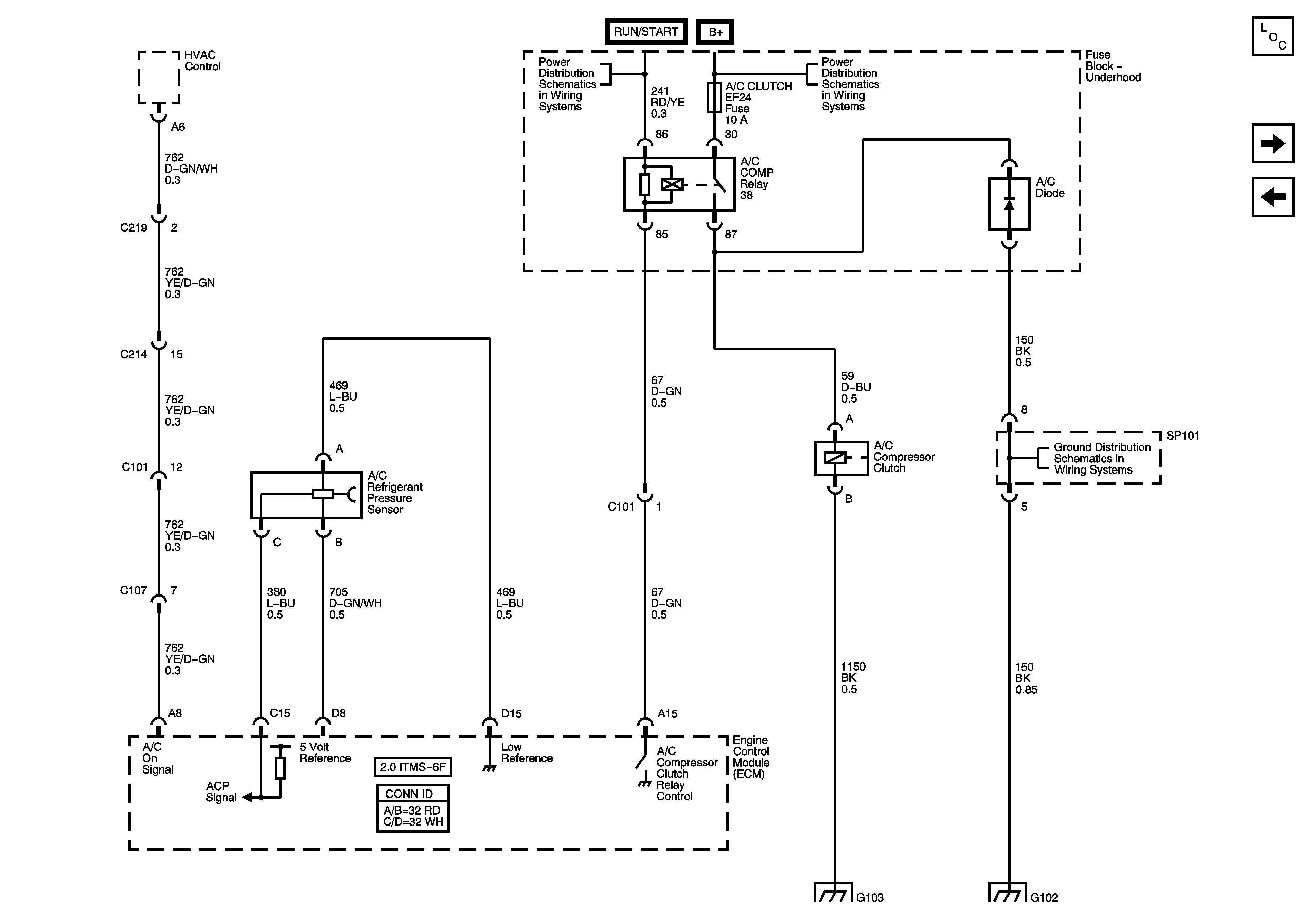
Compressor Controls (ITMS-6F)
Fuse Block - Underhood B+ Bus, 1 of 2
Fuse Block - Underhood B+ Bus, 1 of 2
Fuse Block - Underhood HEADLAMP, POWER WINDOW, REAR DEFOGGER Fuses
ECM-TCM Signals
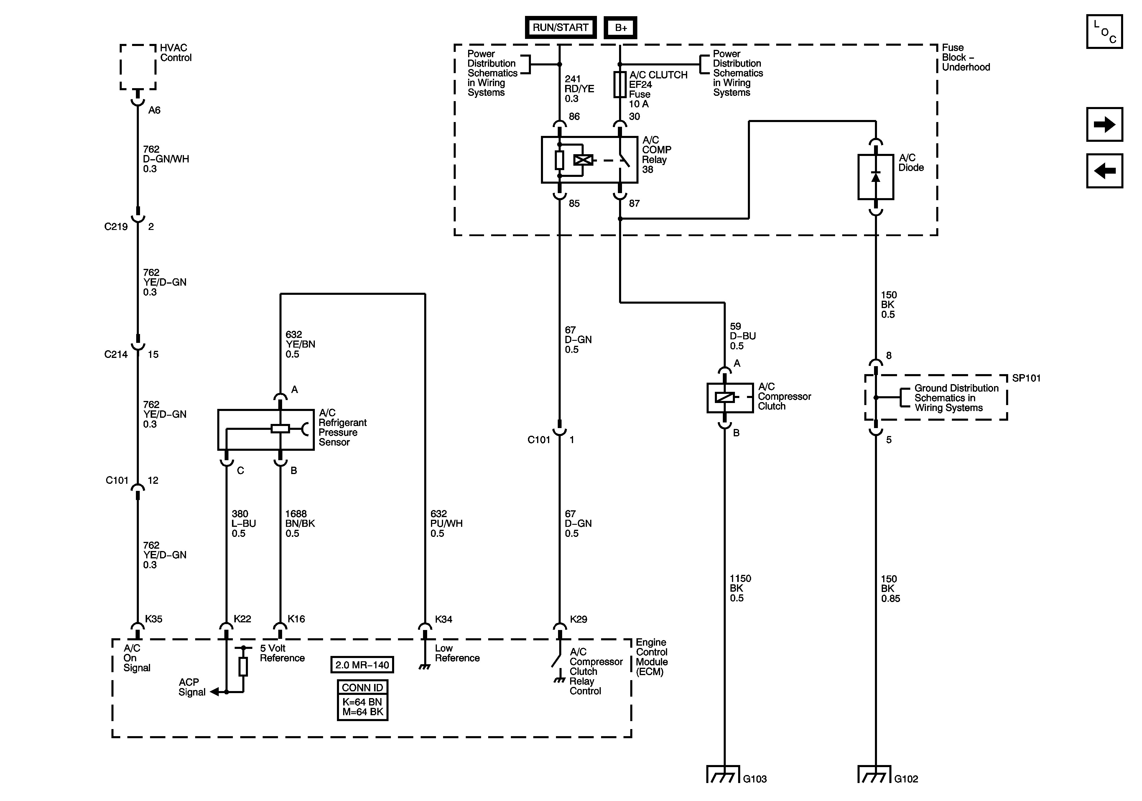
Vehicle Speed Sensor (MR 140)
Front (RHD)
G203
Figure 3:

Compressor Controls (Sirius D4)


Object Number: 1376190  Size: FS
Master Electrical Component List
Compressor Controls (MR-140)
Blower Controls
Fuse Block - Underhood B+ Bus, 1 of 2
Fuse Block - Underhood B+ Bus, 1 of 2
Fuse Block - Underhood ABS, ECM, SIREN Fuses
G102, G101, G106
Figure 4:

Compressor Controls (MR-140)


Object Number: 1478516  Size: FS
Master Electrical Component List
Compressor Controls (ITMS-6F)
Compressor Controls (Sirius D4)
Fuse Block - Underhood B+ Bus, 1 of 2
Fuse Block - Underhood B+ Bus, 1 of 2
G102, G101, G106
Figure 5:

Compressor Controls (ITMS-6F)


Object Number: 1478517  Size: FS
Master Electrical Component List
Temperature Controls/Air Delivery
Compressor Controls (MR-140)
Fuse Block - Underhood B+ Bus, 1 of 2
Fuse Block - Underhood B+ Bus, 1 of 2
G102, G101, G106