GM Service Manual Online
For 1990-2009 cars only
Makes
🢒
Chevrolet
🢒
2008
🢒
Vivant
🢒 Front (RHD)
Front (RHD)
Front (RHD)
Master Electrical Component List
Front (LHD)
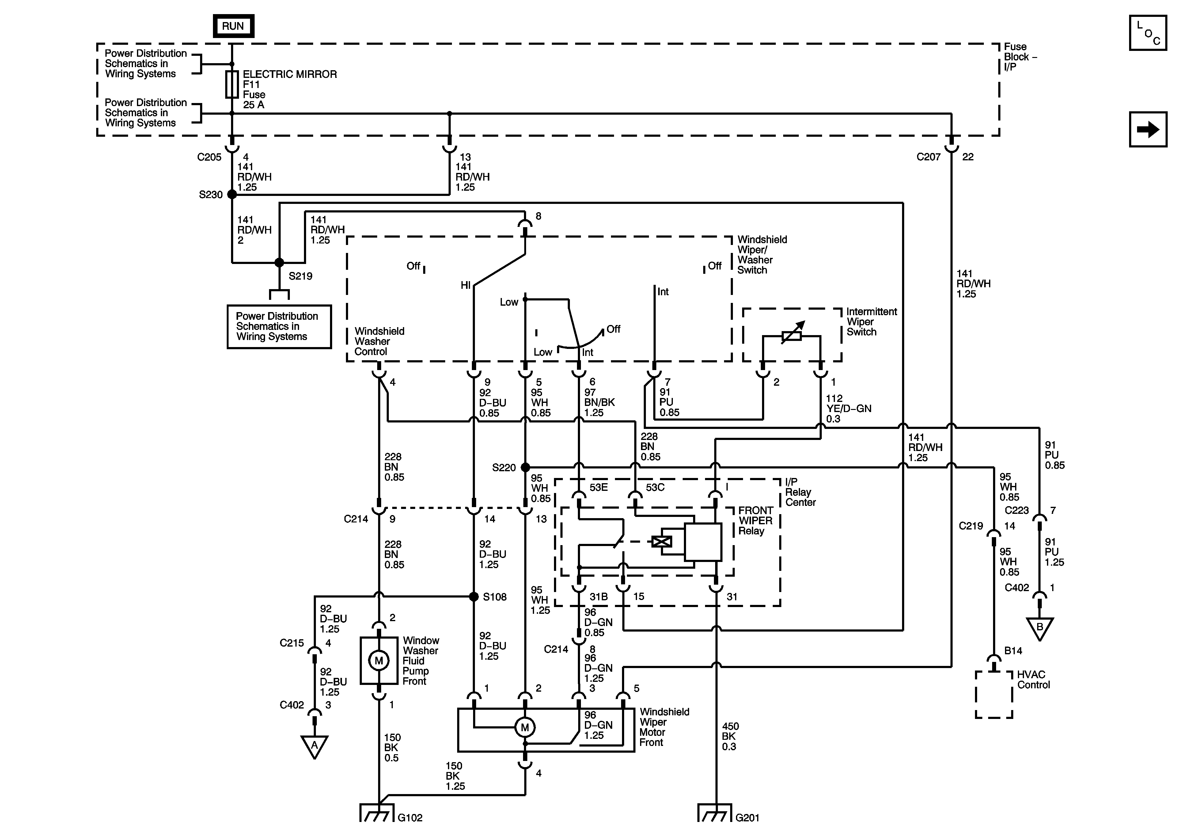
Fuse Block - I/P ELECTRICAL MIRROR, HEATER Fuses
Fuse Block - I/P ELECTRICAL MIRROR, HEATER Fuses
Fuse Block - I/P ELECTRICAL MIRROR, HEATER Fuses