GM Service Manual Online
For 1990-2009 cars only
Makes
🢒
Chevrolet
🢒
2008
🢒
Vivant
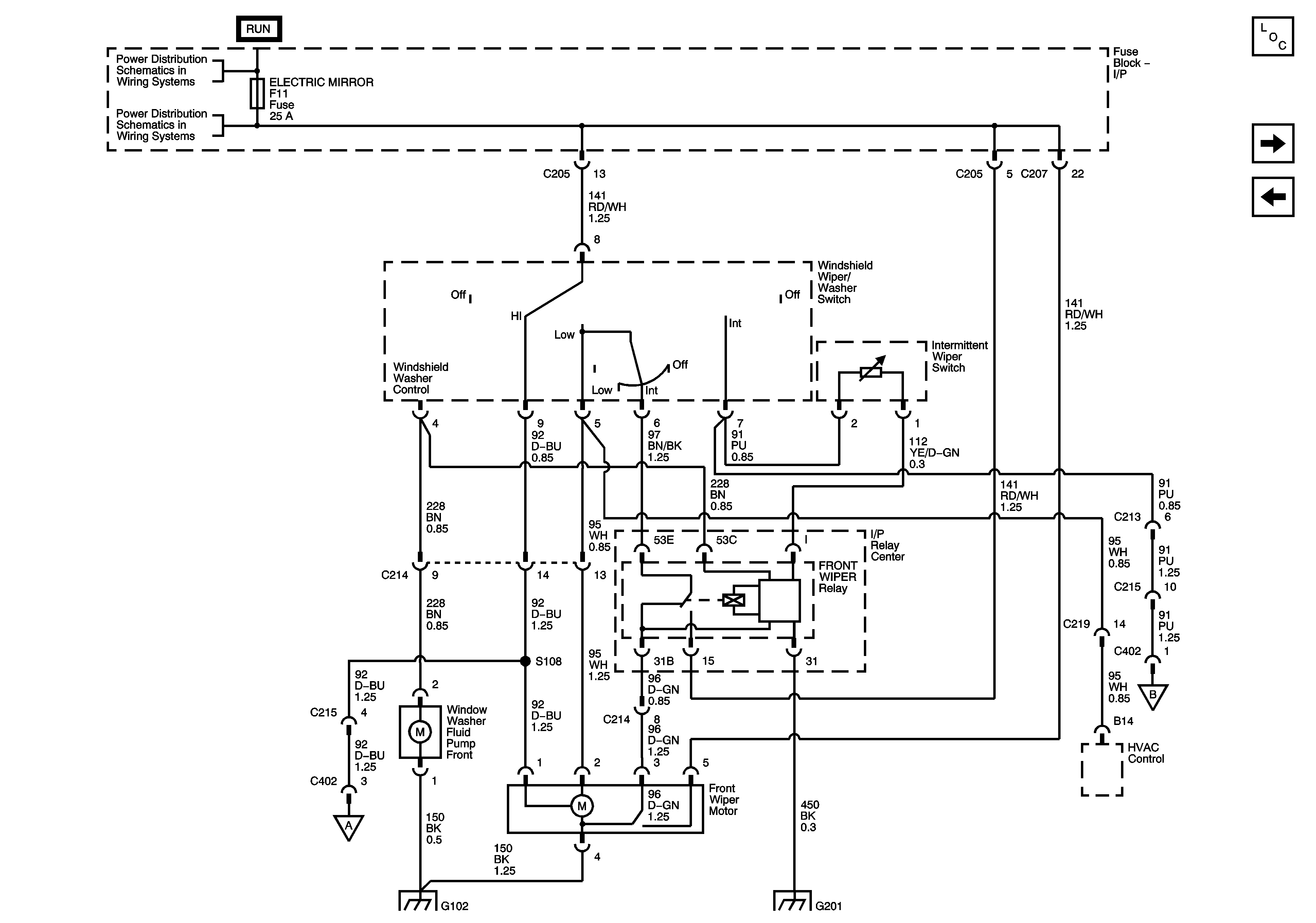
🢒 Front (LHD)
Front (LHD)
Front (LHD)
Master Electrical Component List
Rear Intermittent (LHD)
Front (RHD)
Fuse Block - I/P ELECTRICAL MIRROR, HEATER Fuses
Fuse Block - I/P ELECTRICAL MIRROR, HEATER Fuses