GM Service Manual Online
For 1990-2009 cars only
Makes
🢒
Daewoo
🢒
2008
🢒
G2X
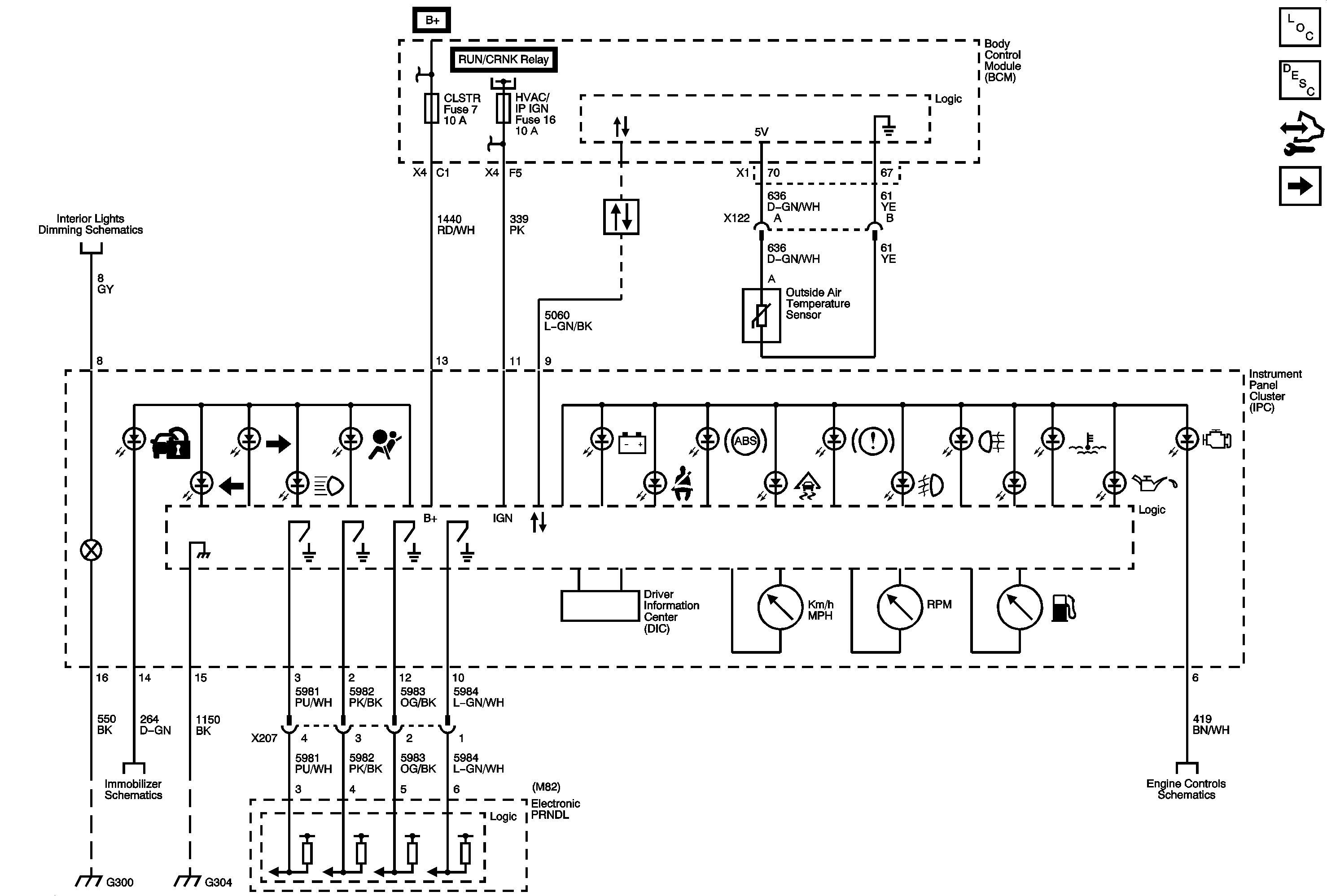
🢒 Instrument Cluster Schematics
Instrument Cluster Schematics
Instrument Cluster
Master Electrical Component List
Instrument Cluster Description and Operation
Control Module References
Sensors and Switches