GM Service Manual Online
For 1990-2009 cars only
Makes
🢒
Generic
🢒
1999
🢒
Unit Repair
🢒 Fuel Controls
Fuel Controls
Fuel Controls
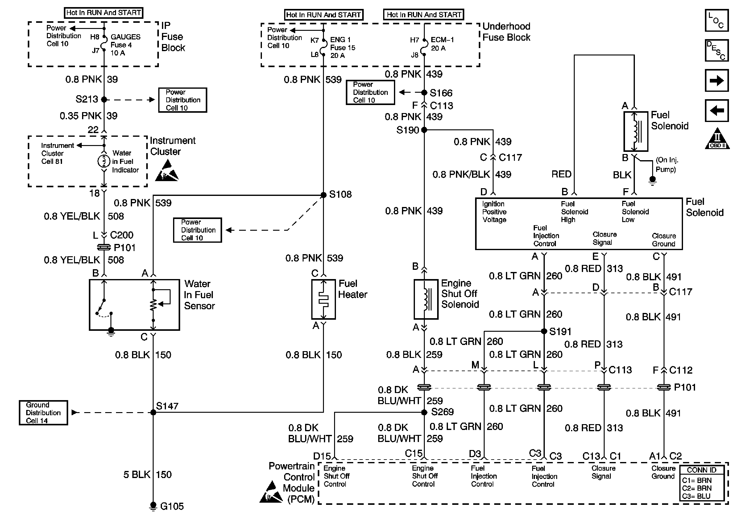
Cell 10: IGN A Fuse and Ignition Switch
Cell 10: Battery, and Underhood Fuse Block
Cell 10: GAUGES Fuse
Cell 10: ENG 1 and ECM 1 Fuses (Diesel)
Cell 10: ENG-1 Fuse
Cell 14: G105 (1 of 2)
Powertrain Control Module Connector End Views
OBD II Symbol Description Notice
Fuel Controls
PWR, GND, and DLC