GM Service Manual Online
For 1990-2009 cars only
Figure 1:

Power, Ground, MIL and DLC


Object Number: 763414  Size: FS
Master Electrical Component List
Powertrain Control Module Description
Ignition Controls
OBD II Symbol Description Notice
Battery, Auxiliary Battery, and Underhood Fuse/Relay Center
Ignition A, Ignition B Fuses, and Ignition Switch
Ignition A, Ignition B Fuses, and Ignition Switch
Gauges Fuse
ECM B, Horn, and A/C Fuses
ECM 1 and Ignition E Fuses (5.0L and 5.7L)
Indicators 1 of 2 (Diesel)
G103 (4.3L, 5.0L, and 5.7L Engines)
Ground Distribution
Data Link Communications
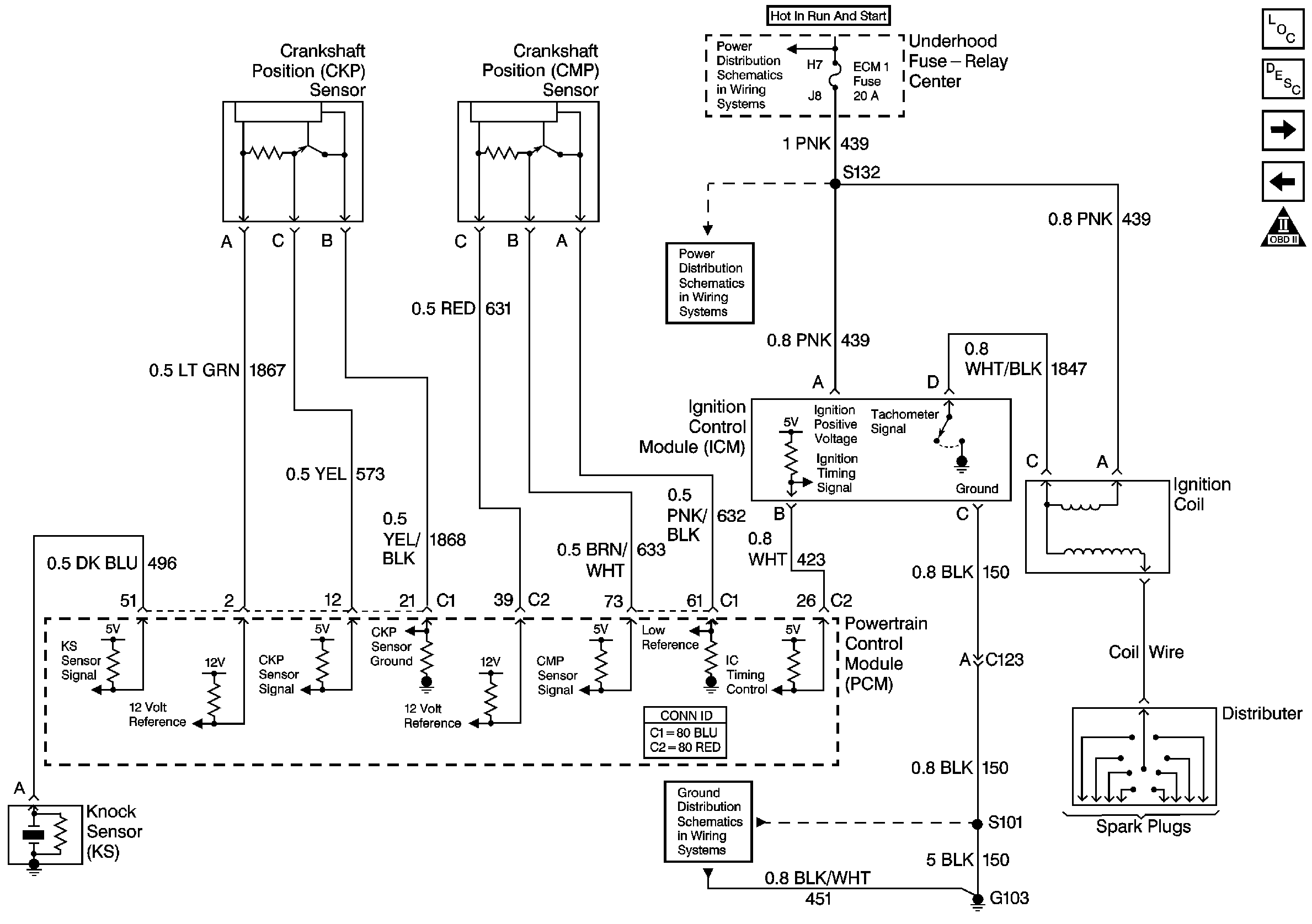
Figure 2:

Ignition Controls


Object Number: 763415  Size: FS
Master Electrical Component List
Electronic Ignition (EI) System Description
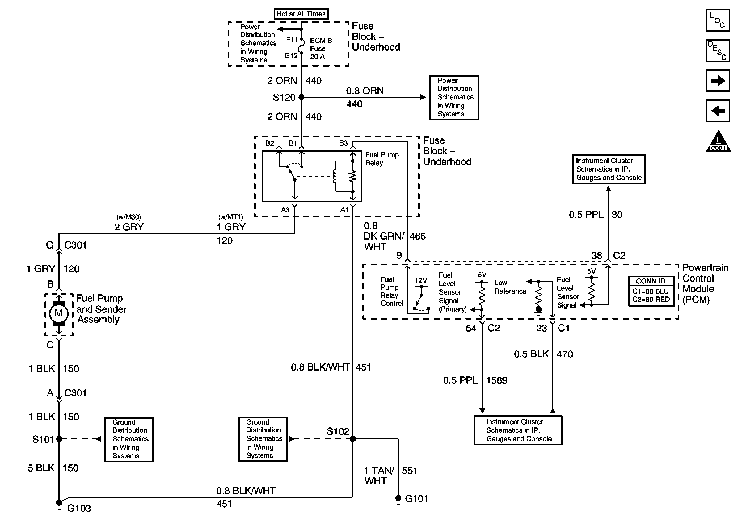
Fuel Pump Controls
Power, Ground, MIL and DLC
OBD II Symbol Description Notice
Ignition A, Ignition B Fuses, and Ignition Switch
ECM 1 and Ignition E Fuses (5.0L and 5.7L)
G103 (4.3L, 5.0L, and 5.7L Engines)
Figure 3:

Fuel Pump Controls


Object Number: 650610  Size: FS
Master Electrical Component List
Fuel System Description
Fuel Injector Controls
Ignition Controls
OBD II Symbol Description Notice
Battery, Auxiliary Battery, and Underhood Fuse/Relay Center
ECM B, Horn, and A/C Fuses
Gauges
G103 (4.3L, 5.0L, and 5.7L Engines)
Ground Distribution
Gauges
Figure 4:

Fuel Injector Controls


Object Number: 650613  Size: FS
Master Electrical Component List
Fuel System Description
Engine Data Sensors
Fuel Pump Controls
OBD II Symbol Description Notice
ECM 1 and Ignition E Fuses (5.0L and 5.7L)
Ignition A, Ignition B Fuses, and Ignition Switch
ECM 1 and Ignition E Fuses (5.0L and 5.7L)
Figure 5:

Engine Data Sensors


Object Number: 650615  Size: FS
Master Electrical Component List
Powertrain Control Module Description
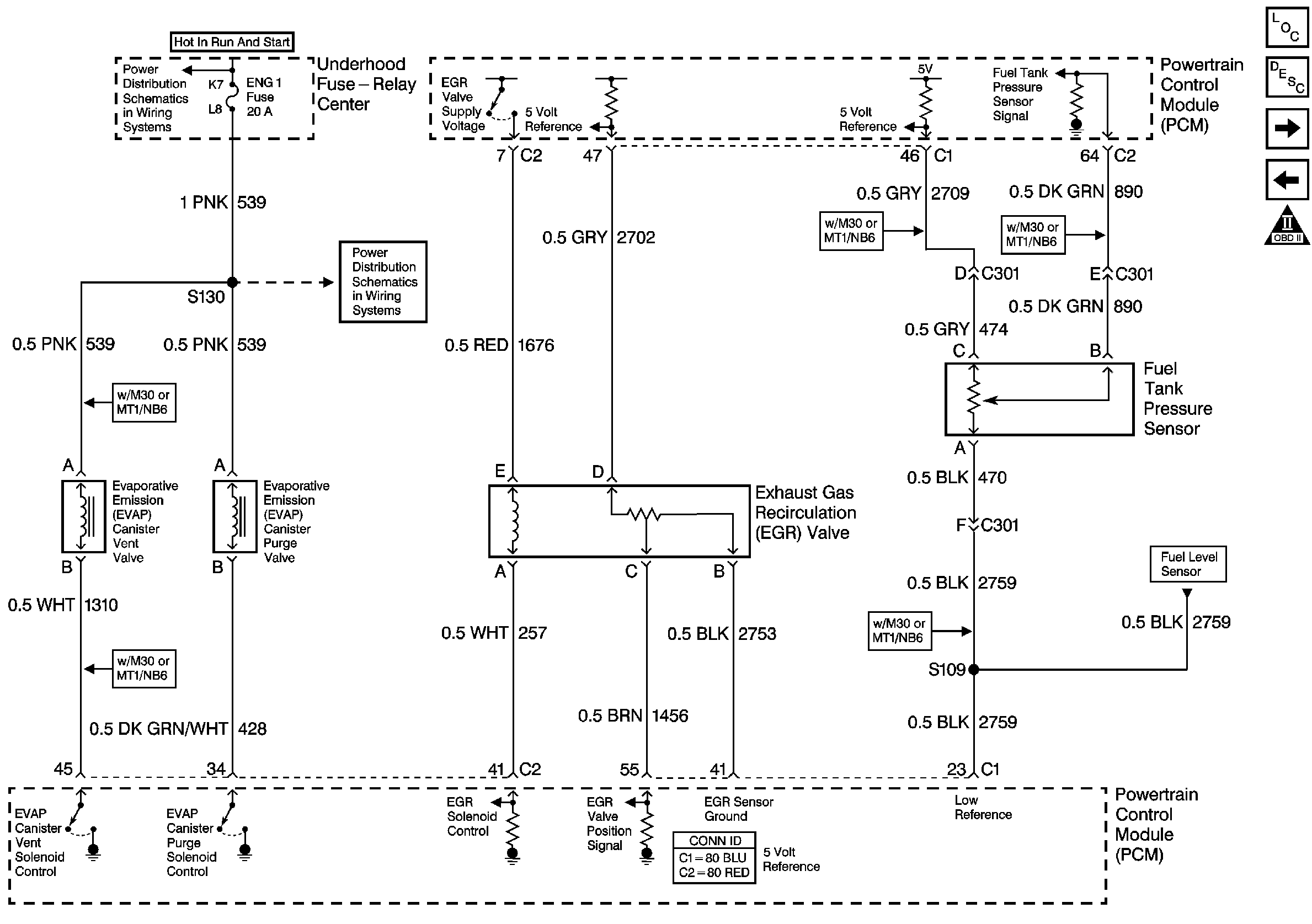
EVAP and EGR Controls
Fuel Injector Controls
OBD II Symbol Description Notice
Figure 6:

EVAP and EGR Controls


Object Number: 763416  Size: FS
Master Electrical Component List
Evaporative Emission Control System Description
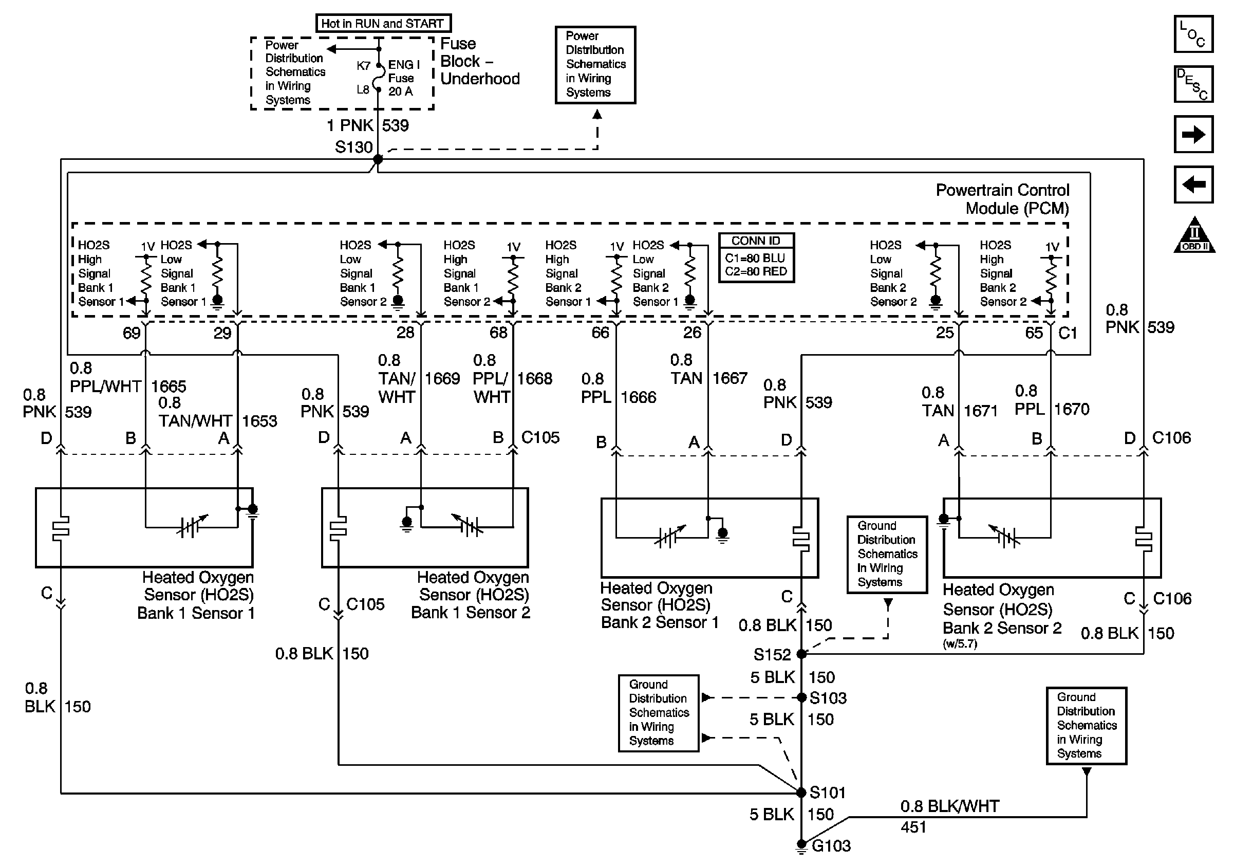
Sensor Controls: Heated Oxygen Sensor (5.0L, 5.7L with 4L60-E)
Engine Data Sensors
OBD II Symbol Description Notice
Ignition A, Ignition B Fuses, and Ignition Switch
Engine 1 Fuse (4.3L, 5.0L, and 5.7L)
Fuel Pump Controls
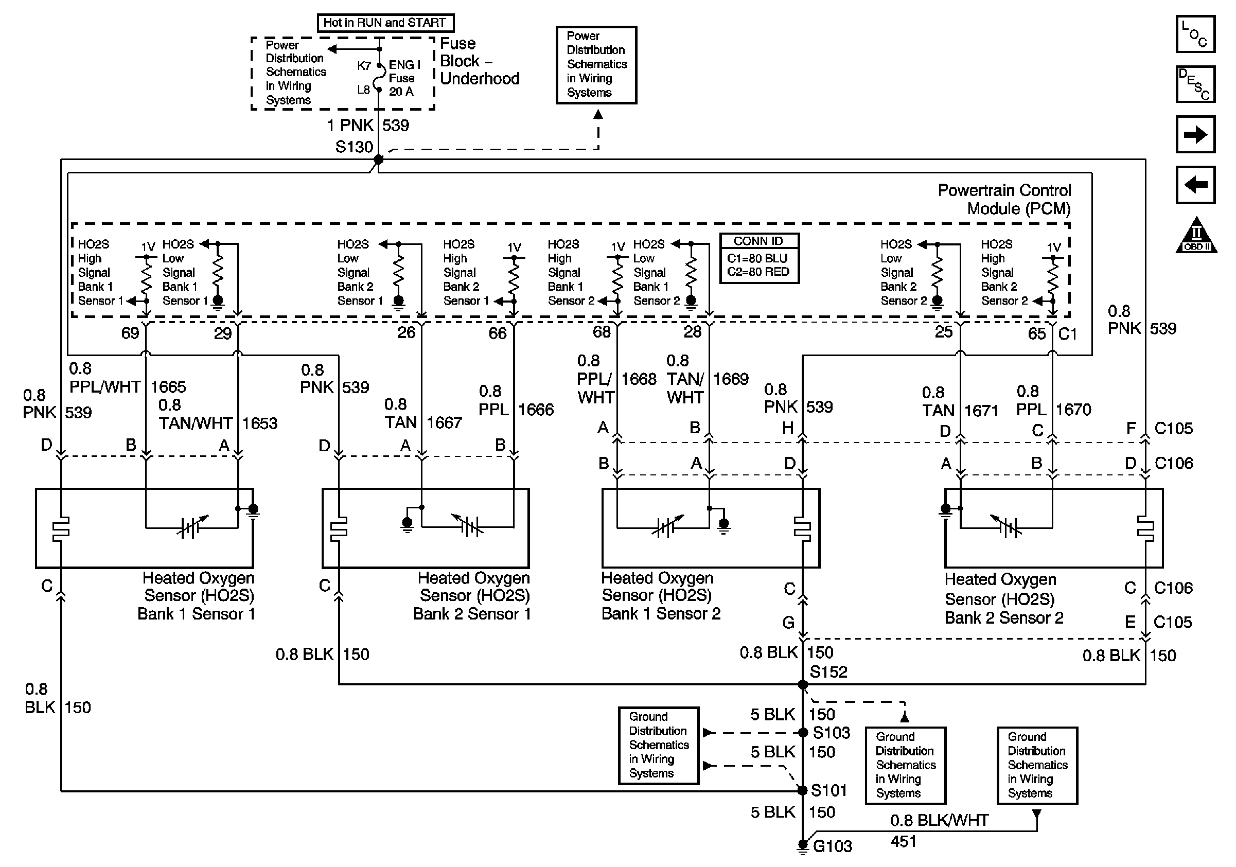
Figure 7:

Sensor Controls: Heated Oxygen Sensor (5.0L, 5.7L with 4L60-E)


Object Number: 650617  Size: FS
Master Electrical Component List
Powertrain Control Module Description
Sensor Controls: Heated Oxygen Sensor (5.7L with 4L80-E)
EVAP and EGR Controls
OBD II Symbol Description Notice
Ignition A, Ignition B Fuses, and Ignition Switch
Engine 1 Fuse (4.3L, 5.0L, and 5.7L)
G103 (4.3L, 5.0L, and 5.7L Engines)
Components through S152 to G103 (Gasoline Engines)
G103 (4.3L, 5.0L, and 5.7L Engines)
Figure 8:

Sensor Controls: Heated Oxygen Sensor (5.7L with 4L80-E)


Object Number: 650627  Size: FS
Master Electrical Component List
Powertrain Control Module Description
MAF, IAC and VSS
Sensor Controls: Heated Oxygen Sensor (5.0L, 5.7L with 4L60-E)
OBD II Symbol Description Notice
Ignition A, Ignition B Fuses, and Ignition Switch
Engine 1 Fuse (4.3L, 5.0L, and 5.7L)
G103 (4.3L, 5.0L, and 5.7L Engines)
Components through S152 to G103 (Gasoline Engines)
G103 (4.3L, 5.0L, and 5.7L Engines)
Figure 9:

MAF, IAC and VSS


Object Number: 649138  Size: FS
Master Electrical Component List
Powertrain Control Module Description
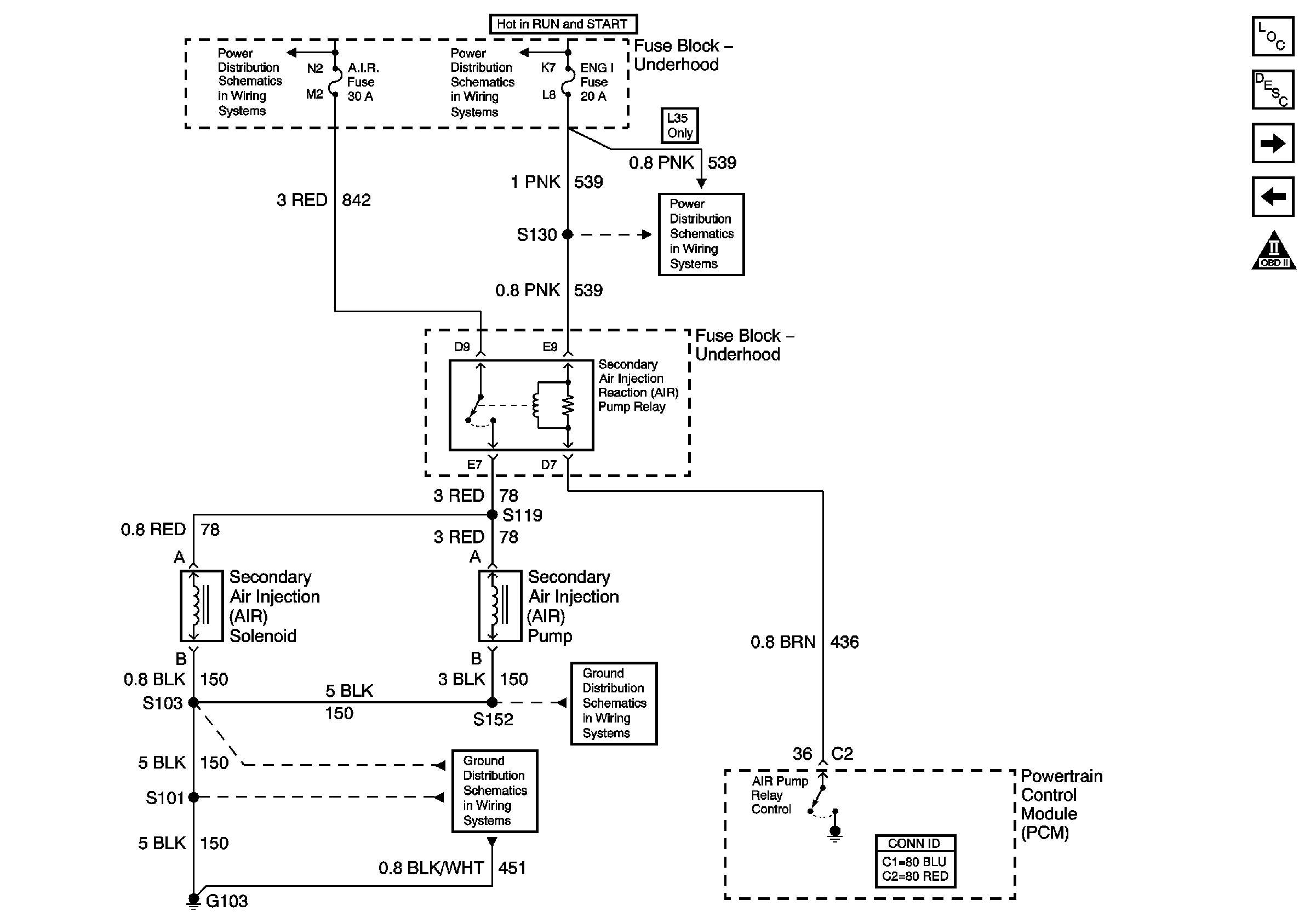
Secondary AIR Controls
Sensor Controls: Heated Oxygen Sensor (5.7L with 4L80-E)
OBD II Symbol Description Notice
Ignition A, Ignition B Fuses, and Ignition Switch
Engine 1 Fuse (4.3L, 5.0L, and 5.7L)
Ground Distribution
Gauges
Wheel Speed Sensors, VSS and Brake Pressure Switch
Engine Controls Schematic Icons
Figure 10:

Secondary AIR Controls


Object Number: 649139  Size: FS
Master Electrical Component List
Secondary Air Injection System Description
Automatic Transmission Control References 4L60-E
MAF, IAC and VSS
OBD II Symbol Description Notice
ABS, Blower, AIR and Rear Blower Fuses
Ignition A, Ignition B Fuses, and Ignition Switch
Engine 1 Fuse (4.3L, 5.0L, and 5.7L)
G103 (4.3L, 5.0L, and 5.7L Engines)
Components through S152 to G103 (Gasoline Engines)
Figure 11:

Automatic Transmission Control References 4L80-E


Object Number: 649150  Size: FS
Master Electrical Component List
Powertrain Control Module Description
Cruise Control, Charging System and HVAC References
Automatic Transmission Control References 4L60-E
OBD II Symbol Description Notice
Ignition A, Ignition B Fuses, and Ignition Switch
Sensor, Solenoid and GND Controls
Figure 12:

Cruise Control, Charging System and HVAC References


Object Number: 763418  Size: FS
Master Electrical Component List
Powertrain Control Module Description
Automatic Transmission Control References 4L80-E
OBD II Symbol Description Notice
4.3L, 5.0L and 5.7L Engines
Charging System: Gasoline Engines
A/C Fuses; ECM-B, IGN-E, Compressor Clutch, A/C Compressor Low PressurE Cutout Switch, G101, G103 (Gasoline Engines)
A/C Fuses; ECM-B, IGN-E, Compressor Clutch, A/C Compressor Low PressurE Cutout Switch, G101, G103 (Gasoline Engines)