GM Service Manual Online
For 1990-2009 cars only
Makes
🢒
Generic
🢒
2002
🢒
Unit Repair
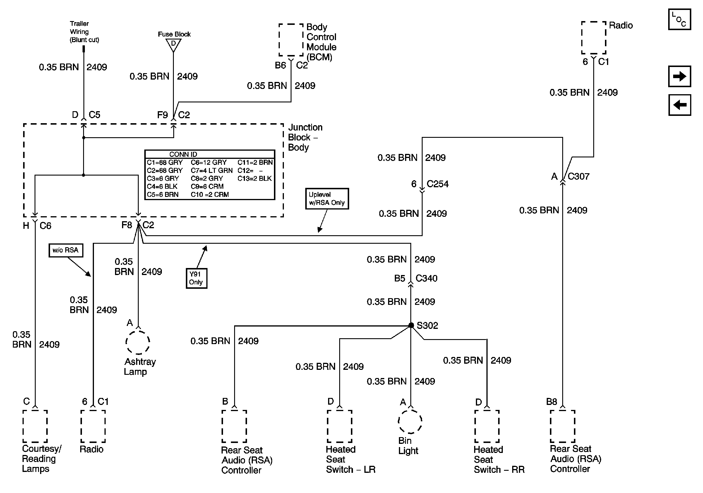
🢒 INT PRK Fuse - 2 of 2
INT PRK Fuse - 2 of 2
INT PRK Fuse - 2 of 2
Master Electrical Component List
LT TURN and RT TURN Fuses
INT PRK Fuse - 1 of 2
INT PRK Fuse - 1 of 2