GM Service Manual Online
For 1990-2009 cars only
Makes
🢒
Generic
🢒
2002
🢒
Unit Repair
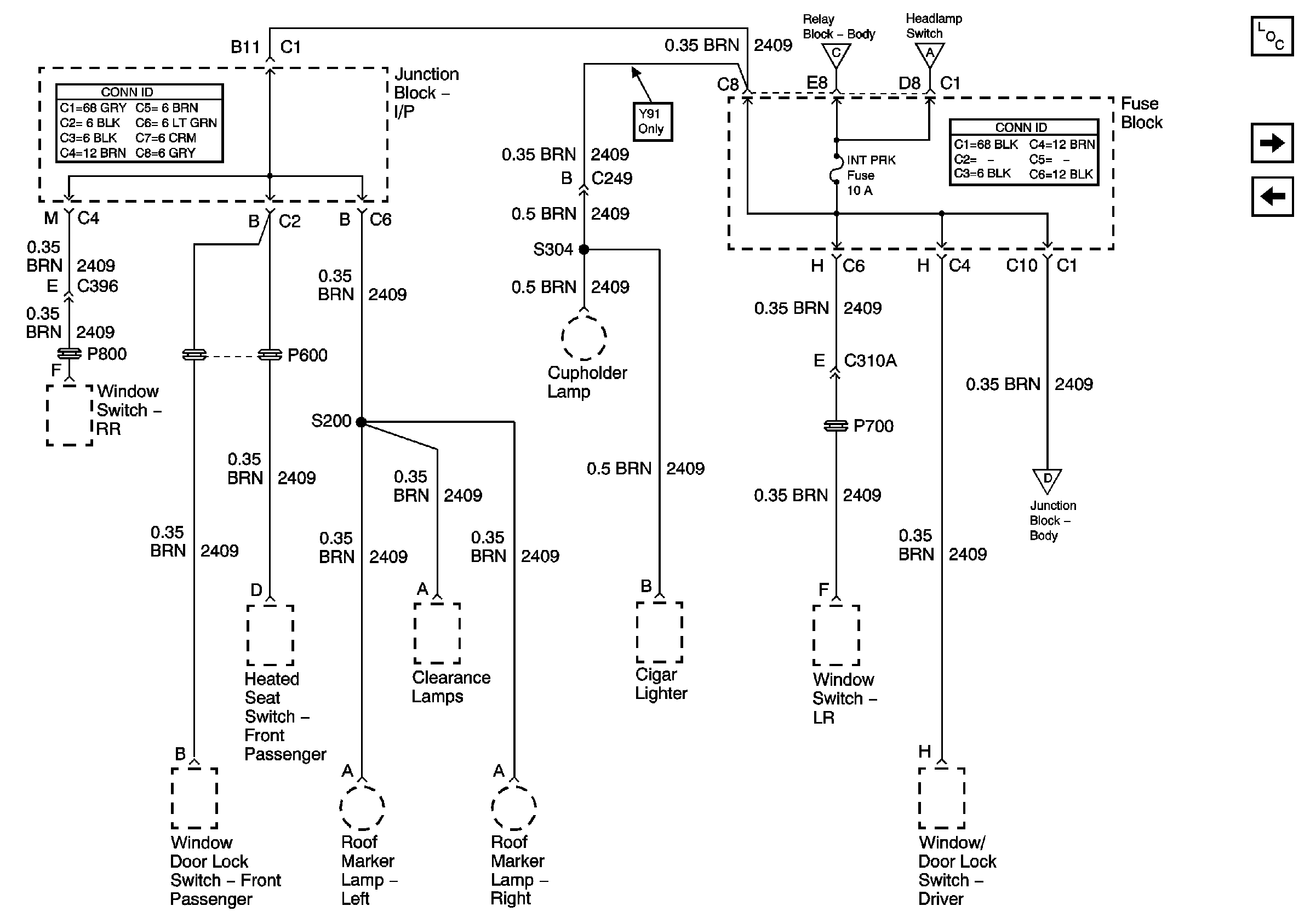
🢒 INT PRK Fuse - 1 of 2
INT PRK Fuse - 1 of 2
INT PRK Fuse - 1 of 2
Master Electrical Component List
INT PRK Fuse - 2 of 2
FR PRK, TRL PRK, LR PRK, RR PRK Fuses, and FOG LAMP Relay
ABS, HAZ LP, STUD 1, STUD 2, CTSY LP, and PARK LP Fuses
ABS, HAZ LP, STUD 1, STUD 2, CTSY LP, and PARK LP Fuses
INT PRK Fuse - 2 of 2