GM Service Manual Online
For 1990-2009 cars only
Makes
🢒
Generic
🢒
2002
🢒
Unit Repair
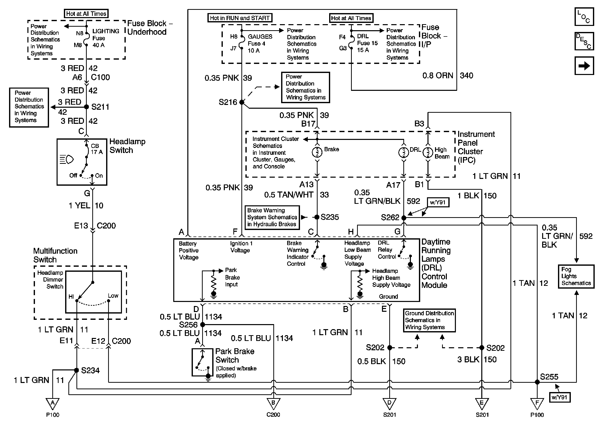
🢒 DRL Control Module, Headlamp Switch, Muti-Function Switch
DRL Control Module, Headlamp Switch, Muti-Function Switch
DRL Control Module, Headlamp Switch, Muti-Function Switch
Master Electrical Component List
Exterior Lighting Systems Description and Operation
Headlamps, Ignition Switch
Battery, Auxiliary Battery, and Underhood Fuse/Relay Center
Ignition A, Ignition B Fuses, and Ignition Switch
Lighting and Battery Fuses
Lighting and Battery Fuses
Gauges Fuse
Indicators 1 of 2 (Diesel)
PWR, Switch and Alarm Delay Module
Components through S202 and S205 to G201
Headlamps, Ignition Switch
Headlamps, Ignition Switch
Headlamps, Ignition Switch
Headlamps, Ignition Switch
Headlamps, Ignition Switch
Front Fog Lamps (Domestic)