GM Service Manual Online
For 1990-2009 cars only
Makes
🢒
Generic
🢒
2002
🢒
Unit Repair
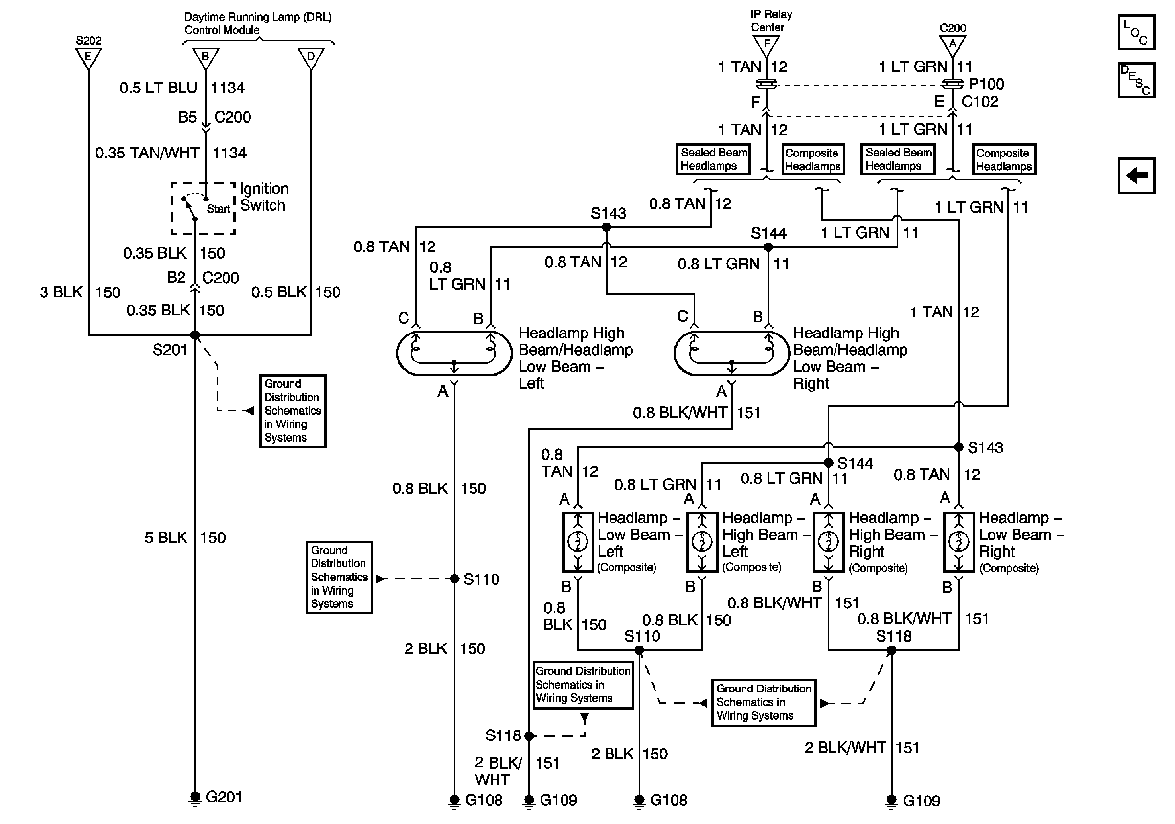
🢒 Headlamps, Ignition Switch
Headlamps, Ignition Switch
Headlamps, Ignition Switch
Master Electrical Component List
Exterior Lighting Systems Description and Operation
DRL Control Module, Headlamp Switch, Muti-Function Switch
DRL Control Module, Headlamp Switch, Muti-Function Switch
DRL Control Module, Headlamp Switch, Muti-Function Switch
DRL Control Module, Headlamp Switch, Muti-Function Switch
DRL Control Module, Headlamp Switch, Muti-Function Switch
G201
G108 and G109 (Domestic)
G108 and G109 (Domestic)
G108 and G109 (Domestic)