GM Service Manual Online
For 1990-2009 cars only
Makes
🢒
Generic
🢒
2003
🢒
Unit Repair
🢒
Body and Accessories
🢒
Stationary Windows
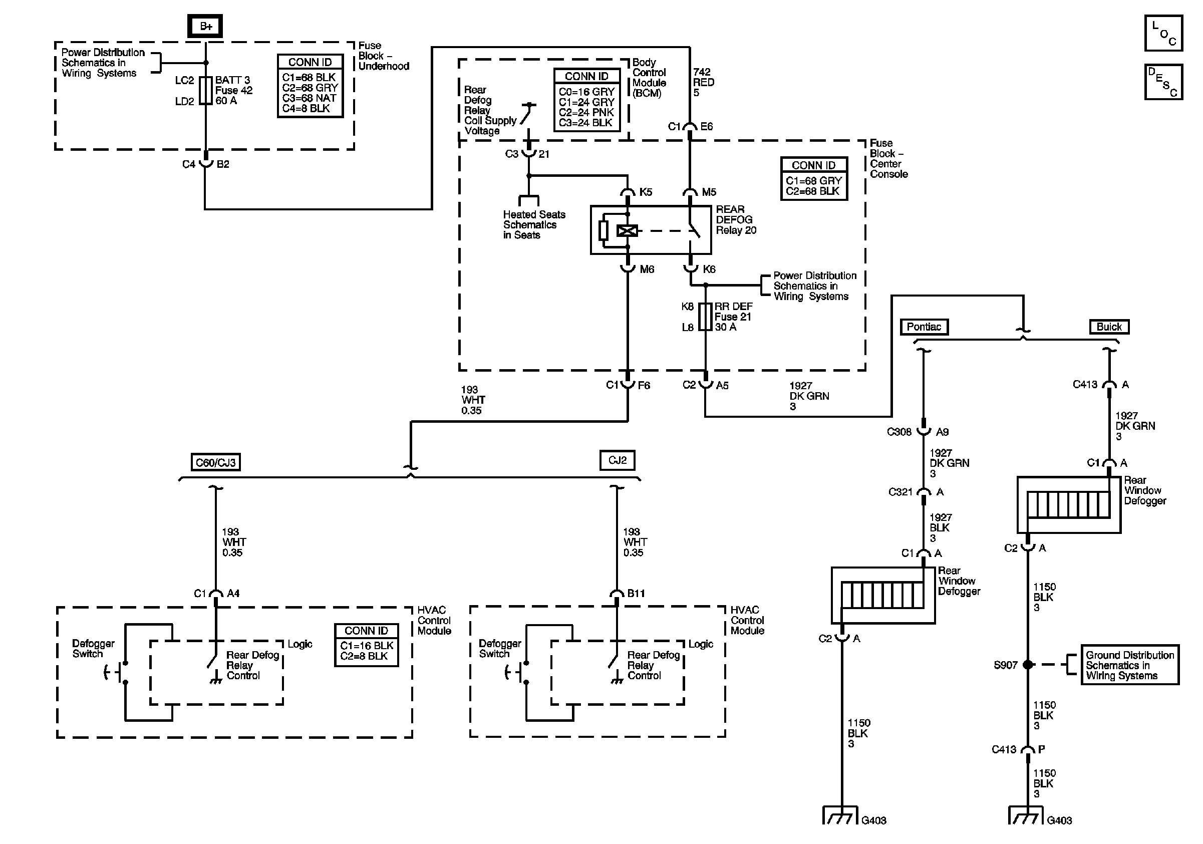
🢒 Defogger Schematics
Master Electrical Component List
Fuse Block-Underhood Fuses: 42, 17, 15, 18, 23 and 14 Fuse Block-Center Console Fuses: HTD MIRR and RR DEF
Fuse Block-Underhood Fuses: 42, 17, 15, 18, 23 and 14 Fuse Block-Center Console Fuses: HTD MIRR and RR DEF
Ground G401, 402 and 403 Schematics