GM Service Manual Online
For 1990-2009 cars only
Makes
🢒
Generic
🢒
2003
🢒
Unit Repair
🢒 Fuel Controls - EVAP Controls, IMTV and IMRC Solenoids
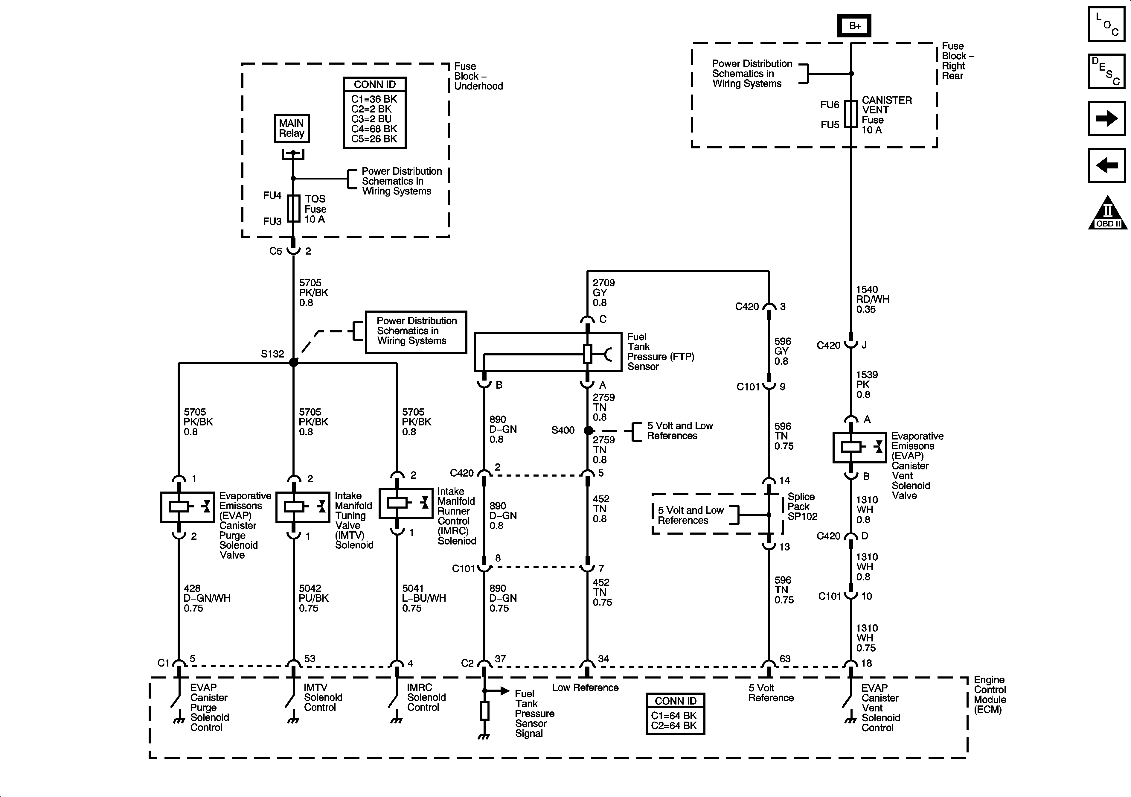
Fuel Controls - EVAP Controls, IMTV and IMRC Solenoids
Fuel Controls - EVAP Controls, IMTV and IMRC Solenoids
Master Electrical Component List
Evaporative Emission Control System Description
Controlled/Monitored Subsystem References
Fuel Controls - Fuel Injectors and Fuel Pump/Sender Assembly
OBD II Symbol Description Notice
Power, Ground, Serial Data, DIC and Indicator
Underhood Fuse Block MAIN Relay, Cooling Fan Fuses/Relays, ECM and TOS Fuses
Right Rear Fuse Block DR MOD PWR Circuit Breaker, CANISTER VENT, RIM/IGN SW, R FRT HTD SEAT MOD and POWER SOUNDER Fuses
Underhood Fuse Block MAIN Relay, Cooling Fan Fuses/Relays, ECM and TOS Fuses
Engine Data Sensors - 5 Volt and Low Reference Buses
Engine Data Sensors - 5 Volt and Low Reference Buses