GM Service Manual Online
For 1990-2009 cars only
Makes
🢒
Generic
🢒
2003
🢒
Unit Repair
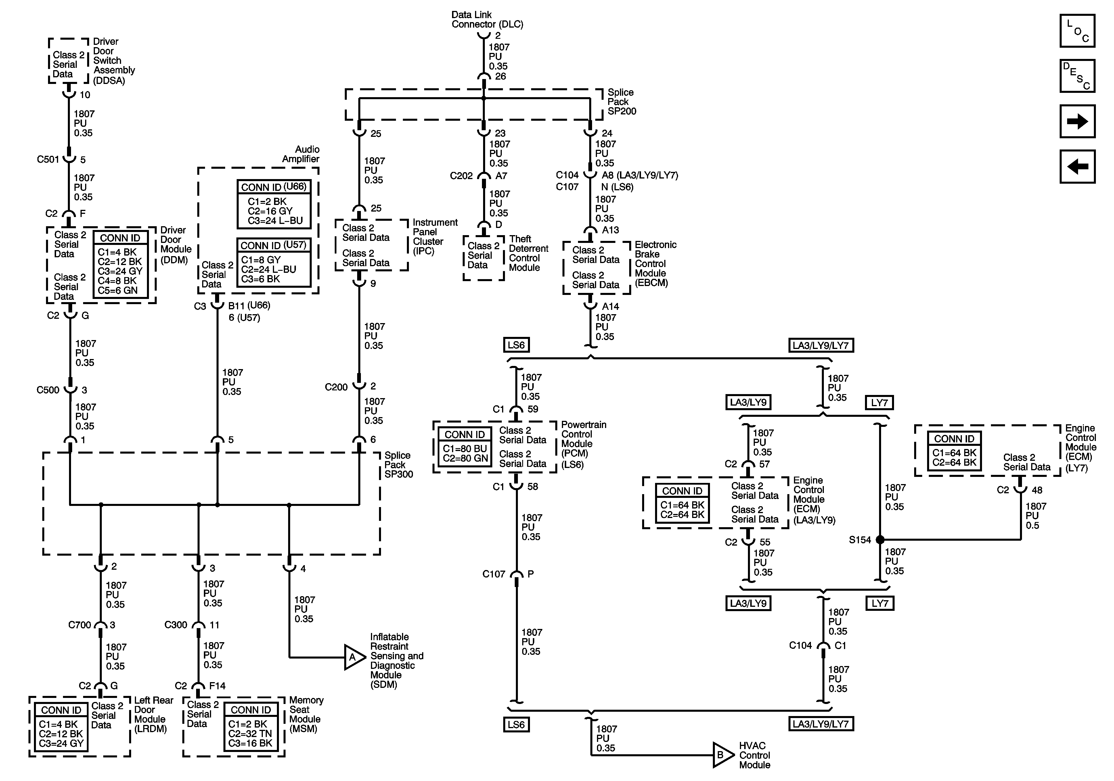
🢒 Class 2 Serial Data Bus - LHD - 1 of 2
Class 2 Serial Data Bus - LHD - 1 of 2
Class 2 Serial Data Bus - LHD (1 of 2)
Master Electrical Component List
Data Link Communications Description and Operation
Class 2 Serial Data Bus - LHD - 2 of 2
Power, Ground, GMLAN Bus and Keyword 2000 Bus
Class 2 Serial Data Bus - LHD - 2 of 2
Class 2 Serial Data Bus - LHD - 2 of 2