GM Service Manual Online
For 1990-2009 cars only
Makes
🢒
Generic
🢒
2003
🢒
Unit Repair
🢒 Radio Antenna Module and Antennas
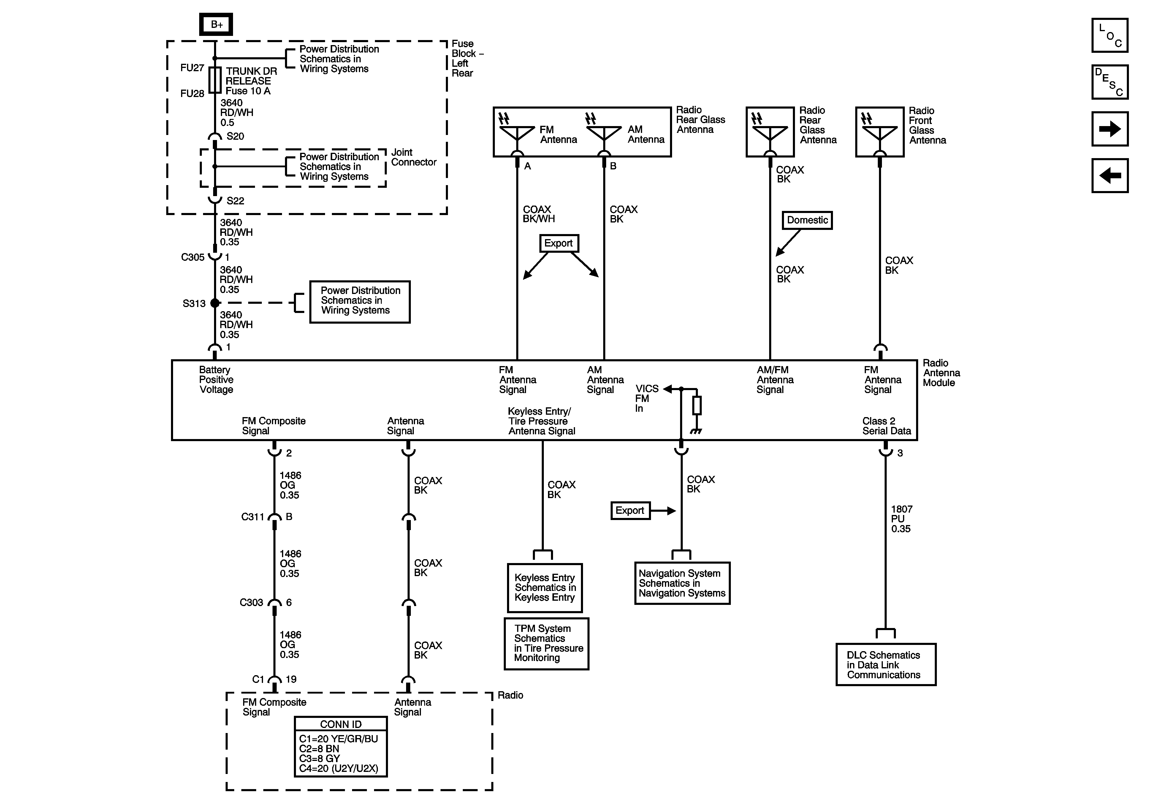
Radio Antenna Module and Antennas
Radio Antenna Module and Antennas
Master Electrical Component List
Radio/Audio System Description and Operation
Digital Radio Receiver (U2Y/U2X/U2K/U2L)
Power, Ground, Serial Data and Audio Signal Communication
Left Rear Fuse Block B+ Bus
Left Rear Fuse Block SEAT Circuit Breaker, TRUNK Fuse/Relay, AMP, AUDIO, DRIVER DR MOD and REAR DR MOD Fuses
Left Rear Fuse Block SEAT Circuit Breaker, TRUNK Fuse/Relay, AMP, AUDIO, DRIVER DR MOD and REAR DR MOD Fuses
Class 2 Serial Data Bus - LHD - 2 of 2
Keyless Entry
Traffic Information Receiver (Japan w/U2X/U2Y)
Tire Pressure Monitoring System