GM Service Manual Online
For 1990-2009 cars only
Makes
🢒
Generic
🢒
2003
🢒
Unit Repair
🢒 Tire Pressure Monitoring System
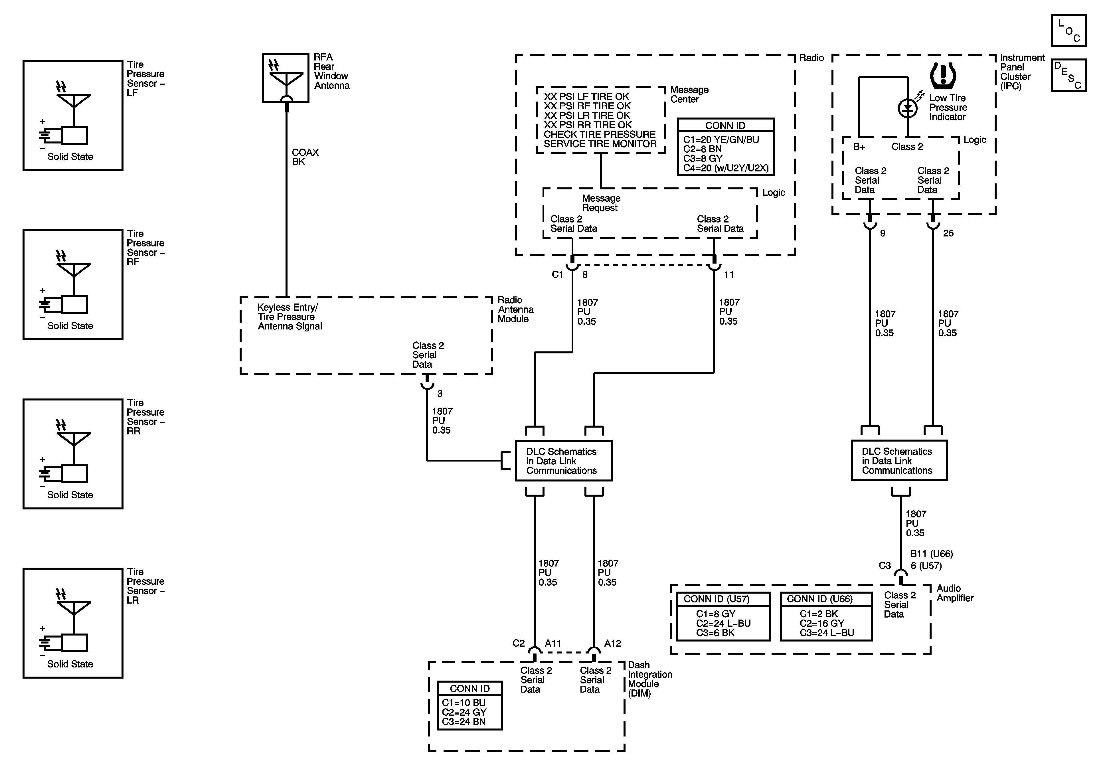
Tire Pressure Monitoring System
Master Electrical Component List
Tire Pressure Monitor Description and Operation
Class 2 Serial Data Bus - LHD - 2 of 2
Class 2 Serial Data Bus - LHD - 1 of 2